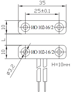
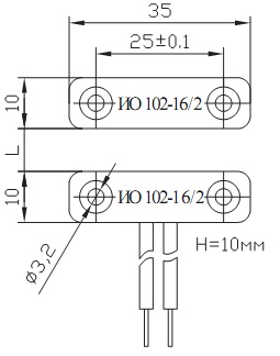
ИО-102-16/2
Магнитоконтактный извещатель, для наружной установки
Производитель: РЗМК
- Код:
- 00000726
- Артикул
- 03-0004-0006
- Базовая единица
- шт
- В наличии:
- 38
142.50 руб.
Извещатель охранный точечный магнитоконтактный ИО 102-16/2 предназначен для блокировки дверных и оконных проемов, организации устройств типа «ловушка», а также блокировки других конструктивных элементов зданий и сооружений с выдачей сигнала «Тревога» путем размыкания контактов геркона на приемноконтрольный прибор, концентратор или пульт централизованного наблюдения
Извещатель конструктивно состоит из датчика магнитоуправляемого на основе геркона и задающего элемента (магнита), выполненных в пластмассовых корпусах.
Извещатель рассчитан на непрерывную круглосуточную работу.
Технические характеристики
| диапазон коммутируемого напряжения, В | 0,05-72 |
| диапазон коммутируемого тока, мА | 0,1-250 |
| число срабатываний извещателя в режиме 0,25А-30В, не менее | 106 |
|
выходное электрическое сопротивление: |
|
|
• при замкнутых контактах (при токе (100±10)мА), Ом, не более • при разомкнутых контактах, кОм, не менее |
0,5 200 |
|
при параллельном расположении датчика и задающего элемента контакты извещателя должны быть: |
|
|
• замкнуты - при расстоянии между ними, мм • разомкнуты - при расстоянии между ними, мм |
10 и менее 45 и более |
| допустимое смещение по вертикальной и горизонтальной осям симметрии между датчиком и задающим элементом, мм, не более | 3 |
|
сопротивление изоляции между выводами датчика: |
|
|
• в нормальных климатических условиях, Ом, не менее • при повышенной относительной влажности 98%, Ом, не менее |
5 · 106 2 · 105 |
| электрическая прочность изоляции между выводами датчика и корпусом, Вэфф/Впост, не менее | 500 / 700 |
| рабочая температура среды, °С | -50 … +50 |
| относительная влажность воздуха ( при +25 °С ), %, не более | 98 |
| виброустойчивость (10–35)Гц, м/с2 (g), не более | 4,9 (0,5) |
| наработка до отказа, ч, не менее | 200000 |
| срок службы, лет, не менее | 8 |
| масса датчика/задающего элемента, г, не более | 4/8 |

