ИО-102-4 (СМК-4)
Извещатель магнитоконтактный, накладной, миниатюрный
Производитель: РЗМК
- Код:
 - 00000737
 - Артикул
 - 03-0004-0001
 - Базовая единица
 - шт
 
											177 руб.
										  
										Извещатель охранный точечный магнитоконтактный ИО 102-4 предназначен для блокировки дверных и оконных проемов, организации устройств типа «ловушка», а также блокировки других конструктивных элементов зданий и сооружений с выдачей сигнала «Тревога» путем размыкания контактов геркона на приемно-контрольный прибор, концентратор или пульт централизованного наблюдения
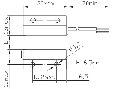
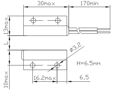
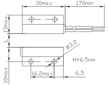
Извещатель конструктивно состоит из датчика магнитоуправляемого на основе геркона и задающего элемента (магнита), выполненных в пластмассовых корпусах.
Извещатель рассчитан на непрерывную круглосуточную работу.
Технические характеристики
| диапазон коммутируемого напряжения, В | 0,05-72 | 
| диапазон коммутируемого тока, мА | 0,1-250 | 
| коммутируемая мощность, Вт, не более | 10 | 
| число срабатываний извещателя в указанных диапазонах, не менее | 106 | 
| 
		 выходное электрическое сопротивление: • при замкнутых контактах (при токе (100±10)мА), Ом, не более • при разомкнутых контактах, кОм, не менее  | 
	
		 0,5  200  | 
| 
		 при параллельном расположении датчика и задающего элемента контакты извещателя должны быть: | 
	|
| 
		 • замкнуты - при расстоянии между ними, мм • разомкнуты - при расстоянии между ними, мм  | 
	
		 10 и менее 45 и более  | 
| допустимое смещение по вертикальной и горизонтальной осям между датчиком и задающим элементом, мм, не более | 3 | 
| 
		 сопротивление изоляции между выводами датчика: | 
	|
| 
		 • в нормальных климатических условиях, Ом, не менее • при повышенной относительной влажности 98% (при +350С), Ом, не менее  | 
	
		 5 · 106 2 · 105  | 
| электрическая прочность изоляции между выводами датчика и корпусом, Вэфф/Впост, не менее | 500 / 700 | 
| рабочая температура среды, °С | -50 … +50 | 
| относительная влажность воздуха ( при +35 °С ), %, не более | 98 | 
| виброустойчивость (10–35)Гц, м/с2 (g), не более | 4,9 (0,5) | 
| наработка до отказа, ч, не менее | 200000 | 
| срок службы, лет, не менее | 8 | 
| масса извещателя, г, не более | 8,8 | 

									
									