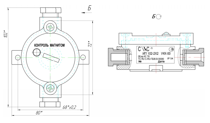
КК-02 2Вв
Коробка коммутационная (0Ex ia IIC T6 Ga X), для соединения отрезков ДПТ и подключения ИПР-К исп 1
Производитель: Спецсистемы
- Код:
- 00006396
- Базовая единица
- шт
- Доступность:
- заказная
610 руб.
Коробка коммутационная КК-02 (проходная)
Для соединения отрезков ДПТ и подключения ИПР-К исп 1
- 0Ex ia IIC T6 Ga X
- Габаритные размеры, мм 112х80х40
- Масса, кг 0,1

