УЗЛ 7,5/10кА-12(24)
В устройство защиты коаксиальных, симметричных и питающих линий(12/24В); одна плата
Производитель: Тахион
- Код:
- 00015914
- Бренд:
- Тахион
- Артикул
- 20110
- Базовая единица
- шт
- Доступность:
- заказная
Назначение:
Устройство защиты УЗЛ-К (далее изделие) предназначено для защиты сигнальных цепей и цепей питания аппаратуры приёма и передачи видеосигнала, работающей по протяженным симметричным и несимметричным линиям от импульсных перенапряжений и помех, вызванных электромагнитными импульсами высоких энергий (грозовыми разрядами, коммутационными помехами и др.) в пределах 1а (в) -2 зон молниезащиты (в соответствии с МЭК 1312-1).
Модуль грозозащиты используется для защиты аппаратуры охранного телевидения, промышленной автоматизации, систем сигнализации, аппаратуры телевидения высокой чёткости, работающей в стандартах АНD, HDCVI и HDTVI и др.
Защищаемое оборудование: сетевые видеокамеры, контроллеры систем сигнализации и автоматизации, компьютеры, коммутаторы и т.д.
- Изделие выпускается по техническим условиям ТУ 26.30.50-077-31006686-2017.
- Устройство по техническим и эксплуатационным характеристикам удовлетворяет требованиям МЭК 61643-21-2000, ГОСТ Р 51317.4.5-99.
- Устройство выпускается в пластмассовом корпусе с креплением на 35мм DIN-рейку.
- Степень защиты УЗЛ-К IP20 в соответствии с ГОСТ 14254.
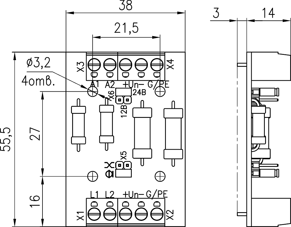
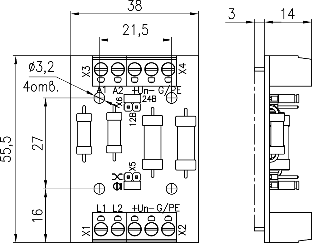
Конструктивно УЗЛ-7,5/10кА-12(24)В выполнен в виде печатной платы, что позволяет размещать его непосредственно в корпусе защищаемого устройства. УЗЛ-К в корпусном исполнении для крепления на din-рейку
Технические характеристики
| Сигнальной цепи: | |
| Максимальный импульсный разрядный ток при t имп 8/20мкс (Imax) | 10 кА |
| Номинальное рабочее напряжение | 6 В |
| Уровень напряжения защиты при Imax | 15 В |
| Вносимое затухание | 0,5 дБ |
| Неравномерность АЧХ в диапазоне до 50 МГц, не более | 1 дБ |
| Время срабатывания, менее | 30 нсек |
| Цепи питания: | |
| Номинальное рабочее напряжение | 12/24 В DC |
| Максимальный ток | 16/28 В |
| Номинальный ток (Iн) | 1,5 А |
| Максимальный импульсный разрядный ток при t имп 8/20мкс (Imax) | 0,5 А |
| Уровень напряжения защиты при Imax | 10 кА |
| Вносимое сопротивление | 30/50 В |
| Потери при Iн | 1 Ом |
| Время срабатывания, менее | 30 нсек |
| Количество защищаемых пар: | |
| По цепи сигнала | 1 |
| По цепи питания | 1 |
| Диапазон рабочих температур | -55° С ÷ +85° С |
| Габаритные размеры | 38 х 55,5 х 17мм |
| Вес в упаковке | 50 г |

