УЗП-220
Устройство защиты питающих линий 220В
Производитель: Тахион
- Код:
- 00015917
- Артикул
- 20105
- Базовая единица
- шт
Назначение:
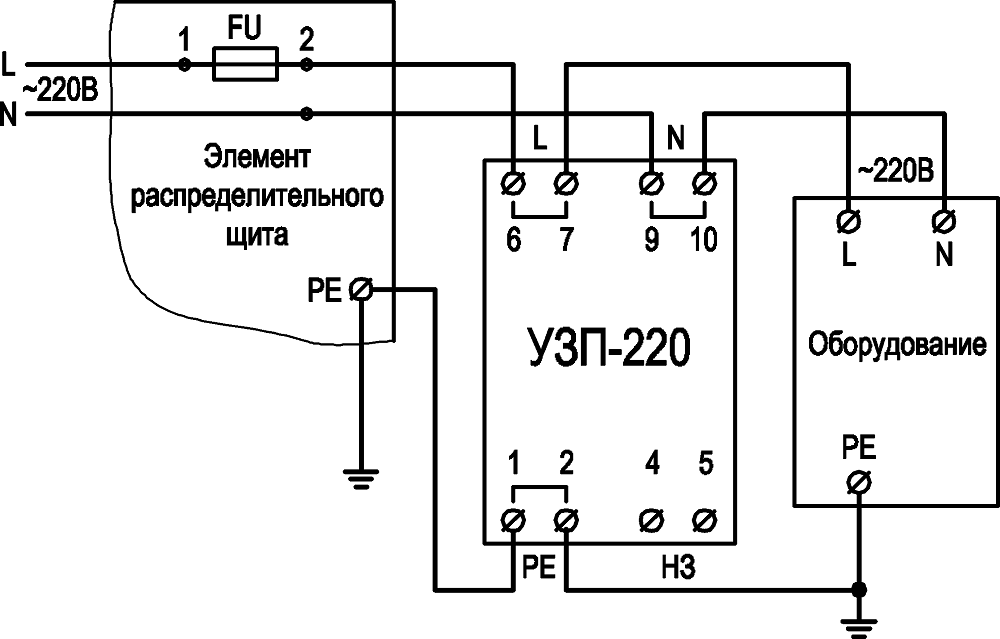
Устройство защиты электропитания УЗП-220 предназначено для защиты оборудования, подключённого к линиям электропитания переменного тока 220 В, от наведенных напряжений, вызванных электромагнитными импульсами высоких энергий (грозовыми, электростатическими разрядами и т.д).
УЗП-220 – однофазное устройство грозозащиты 220 В класса III, по техническим и эксплуатационным характеристикам удовлетворяет требованиям ГОСТ Р 51992-2002 (МЭК 61643-1-98), ГОСТ Р 50030.1-2000, ГОСТ Р 50571.19-2000.
УЗП-220 применяется в сетях с системой заземления TN-S и устанавливается в пределах 1а(в) -2 зон молниезащиты (в соответствии с МЭК 1312-1).
Сигнал о выходе из строя защитного элемента УЗП-220 во внешнюю цепь сигнализации, может быть снят с контактов №4, 5 (НЗ).
- Степень защиты в соответствии с ГОСТ 14254 IP20.
- Конструктивно УЗИП 220В выполнен в пластмассовом корпусе с креплением на 35мм DIN-рейку.
- УЗИП 220 В выпускается по техническим условиям ТУ 26.30.50-077-31006686-2017.
Технические характеристики
| Номинальное рабочее напряжение | 220 В | ||
| Максимальное рабочее напряжение | 275 | ||
| фаза/нейтраль | фаза/земля | нейтраль/земля | |
|
Номинальный импульсный разрядный ток при t имп. 8/20мкс, кА |
3 кА | 3 кА | 5 кА |
| Напряжение испытательного импульса (Uoc) | 6 кВ | 6 кВ | 10 кВ |
| Уровень напряжения защиты при Uoc | 850 В | 1500 В | 700 В |
| Время срабатывания, менее | 25 нсек | 100 нсек | 100 нсек |
| Контакты дистанционной сигнализации: | |||
| - максимальный коммутируемый ток | 3 А | ||
| - максимальное коммутируемое напряжение | 250 В | ||
| Диапазон рабочих температур | -55°С ¸ +80°С | ||
| Габаритные размеры | 89 х 58 х 35 мм | ||

