ТГБ-5-120-12/12
Гермобокс, класс защиты IP-66. Lнар. 170, ?нар. 90, рабочий объем: 52х52х125мм. Робо
Производитель: Тахион
- Код:
- 00019621
- Артикул
- 00010
- Базовая единица
- шт
5 775 руб.
Назначение термошкафа :
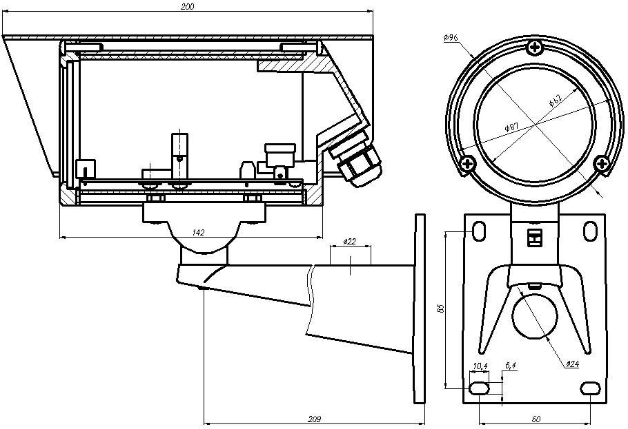
Термокожух (гермобокс для видеокамеры) серии ТГБ-5 предназначен для установки ТВ камер со сменными объективами и защиты их (ТВ камер) от воздействия окружающей среды (влаги и отрицательных температур). Термокожух серии ТГБ-5-120 предназначен для установки бескорпусных видеокамер.
Термокожух ТГБ-5 обеспечивает требования:
- по безопасности - ГОСТ Р МЭК 730-1-94, ГОСТ Р МЭК 730-2-9-94 ;
- по ЭМС - ГОСТ Р 51318.14.1-99, ГОСТ Р 51318.14.2-99, ГОСТ Р 51317.3.2-99, ГОСТ Р 51317.3.3-99;
- по степени защиты от поражения электрическим током - III классу ГОСТ 12.2.007-75;
- по условиям эксплуатации - ГОСТ 12 997-84.
Особенности:
- По всей внутренней боковой поверхности корпуса термокожуха расположен теплоизолятор
- Крепление передней и задней крышек к корпусу термокожуха осуществлено в трех точках, что обеспечивает равномерный прижим герметизирующих прокладок, из материала, допускающего их многократное использование, во всем диапазоне рабочих температур.
- Защитный козырек термокожуха имеет цилиндрическую форму, что препятствует скоплению снега и льда на его поверхности, и предотвращает образование сосулек перед объективом видеокамеры.
- Система поддержания прозрачности окна выполнена в виде зачерненного алюминиевого кольца расположенного в непосредственной близости от стекла термокожуха.
- Один транзистор служит для нагрева кольца расположенного в близи стекла. Благодаря электронной системе стабилизации температуры и необходимым зазорам между нагреваемой поверхностью и видеокамерой исключена вероятность оплавления пластмассовых частей объёктива и самой видеокамеры.
- Благодаря использованию в конструкции внутреннего кронштейна печатной платы из стеклотекстолита отсутствуют длинные провода «тянущиеся» к нагревательным элементам.
- Модуль видеокамеры с объективом электрически не связан с корпусом термокожуха, за счет оригинальной конструкции внутреннего кронштейна.
- Внутренний объем термокожуха позволяет устанавливать бескорпусные видеокамеры, а также передатчик видеосигнала по витой паре типа АПВС-5М.
- Пластина крепления бескорпусной видеокамеры в термокожухе, расположенная на внутреннем кронштейне, позволяет устанавливать видеокамеры с габаритами от 30х30мм до 42х42мм, без дополнительной доработки.
- Гермовводы на задней крышке установлены под углом 30º к поверхности крышки и направлены вниз, у
Технические характеристики.
| Исполнение | Размеры, мм | Входное напряжение, В | Напряжение питания ТВ камеры, В | Мощность обогрева, Вт | Диапазон рабочих температур, °C | Пыле- влаго-защита |
| ТГБ-5-120-12/12 |
Lнар170 Lвн125 øнар90 øвн72 |
12±10% DC | 12 DC | 3 | -40 ÷ +50 | IP66 |

