ИП-535-26 «Север» (без ИВС-2)
Извещатель пожарный ручной с переключающимся герконом, 9-30В, 20мА, IP66
Производитель: Магнито-Контакт
- Код:
- 00019901
- Артикул
- 09-0008-0000
- Базовая единица
- шт
- Доступность:
- заказная
НАЗНАЧЕНИЕ
- Извещатели пожарные ручные ИП 535 – 26 «СЕВЕР», питаемые по шлейфу, неадресные, восстанавливаемые, предназначены для передачи в шлейф сигнализации тревожного извещения при включении приводного элемента.
- Примененяется совместно с приборами приемно – контрольными, обеспечивающими в шлейфе пожарной сигнализации напряжение питания в пределах от 9 до 30 В (например «ГИППО-1М», «Сигнал-20», «ВЭРС-ПК» и т. п.).
- Извещатель может использоваться в двух вариантах включения: имитация активного пожарного извещателя (с оптической индикацией режима «ПОЖАР»), с нормально – разомкнутым контактом (с оптической индикацией режима «ПОЖАР»). В режиме передачи сигнала ''ПОЖАР'' на извещателях включается оптический индикатор красного цвета.
- Извещатель рассчитан на круглосуточную непрерывную работу. Извещатель не является средством измерения.
- Органы управления машиной и (или) оборудованием должны быть выполнены так, чтобы их форма, размеры и поверхности контакта с пользователем соответствовали способу захвата (пальцами, кистью) или нажатия (пальцем руки, ладонью, стопой).
ТЕХНИЧЕСКИЕ ХАРАКТЕРИСТИКИ
- Степень защиты оболочки по ГОСТ 14254, не ниже IP66;
- Напряжение питания извещателя от шлейфа, В 10…30;
- Ток, потребляемый извещателем в дежурном режиме, мкА, не более 50;.
- Диапазон рабочих температур, °С -55 … 60;
- Максимальная относительная влажность воздуха при t +40°С, %, не более 93;
- Извещатель устойчив к воздействию вибрационных нагрузок (синусоидальной вибрации) в диапазоне частот от 10 до 150 Гц с ускорением не более 0,5g (4,9 м/с2);
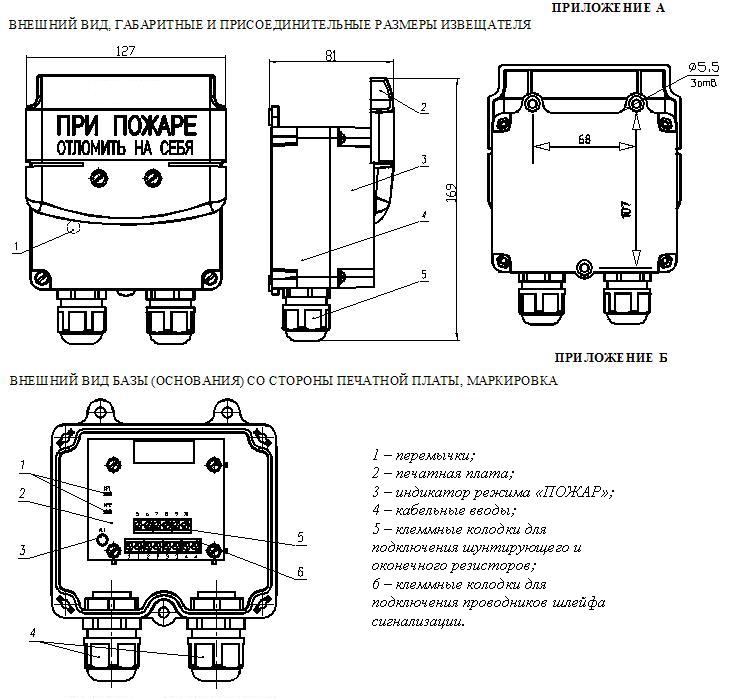
- Габаритные размеры, мм, не более 169×127×81;
- Масса извещателя, кг, не более 0,5;
- Средняя наработка на отказ, часов, не менее 60.000;
- Средний срок службы извещателя - не менее 10 лет.
- Гермовводы обеспечивают подключение кабеля диаметром 6-14мм.
УСТРОЙСТВО И ПРИНЦИП РАБОТЫ
Извещатель представляет собой магнитоконтактное устройство, предназначенное для ручного включения сигнала пожарной тревоги в системах пожарной и охранно – пожарной сигнализации.
Конструкция извещателя.
Конструктивно извещатель состоит из базы (основания), крышки и ручки (приводного элемента). Под крышкой извещателя располагается индикатор режима пожар. Все части извещателя выполнены из пластика. Корпус извещателей оборудован кабельными вводами для подведения проводников шлейфа сигнализации диаметром от 6 до 14 мм.
Принцип работы.
Принцип работы извещателя основан на изменении электрического режима работы шлейфа пожарной или охранно – пожарной сигнализации при воздействии человека на приводной элемент извещателя (отламывание ручки) при этом происходит размыкание или замыкание контактной группы геркона в его выходной цепи.
Извещатели сохраняют состояние режима передачи сигнала «ПОЖАР» после прекращения механического воздействия на приводной элемент (ручку) и самопроизвольно не возвращается в исходное (дежурное) состояние. Возврат извещателя из режима "ПОЖАР" в дежурный режим, производится заменой ручки.
В режиме передачи сигнала «ПОЖАР» на извещателе включается оптический индикатор красного цвета

