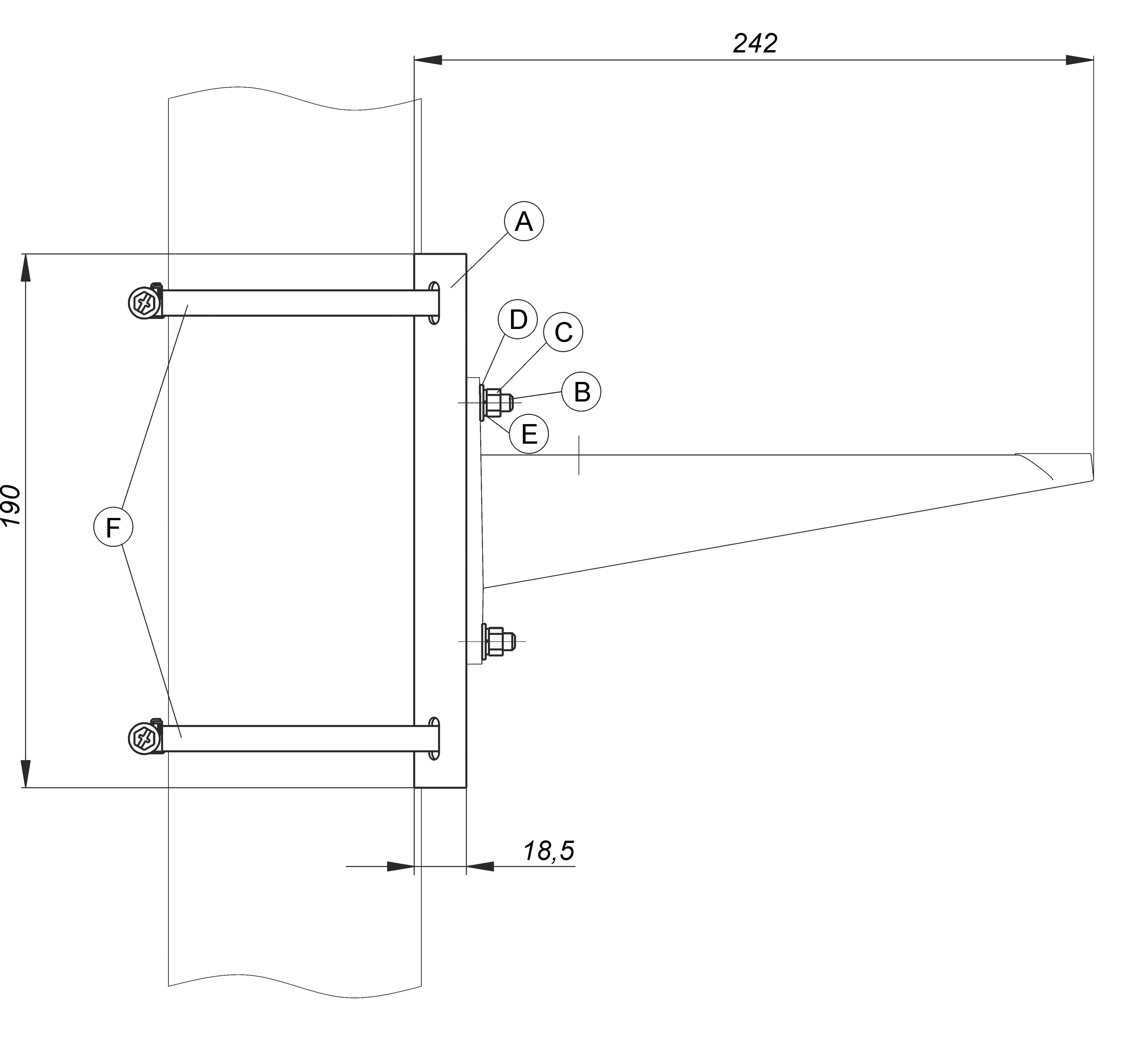
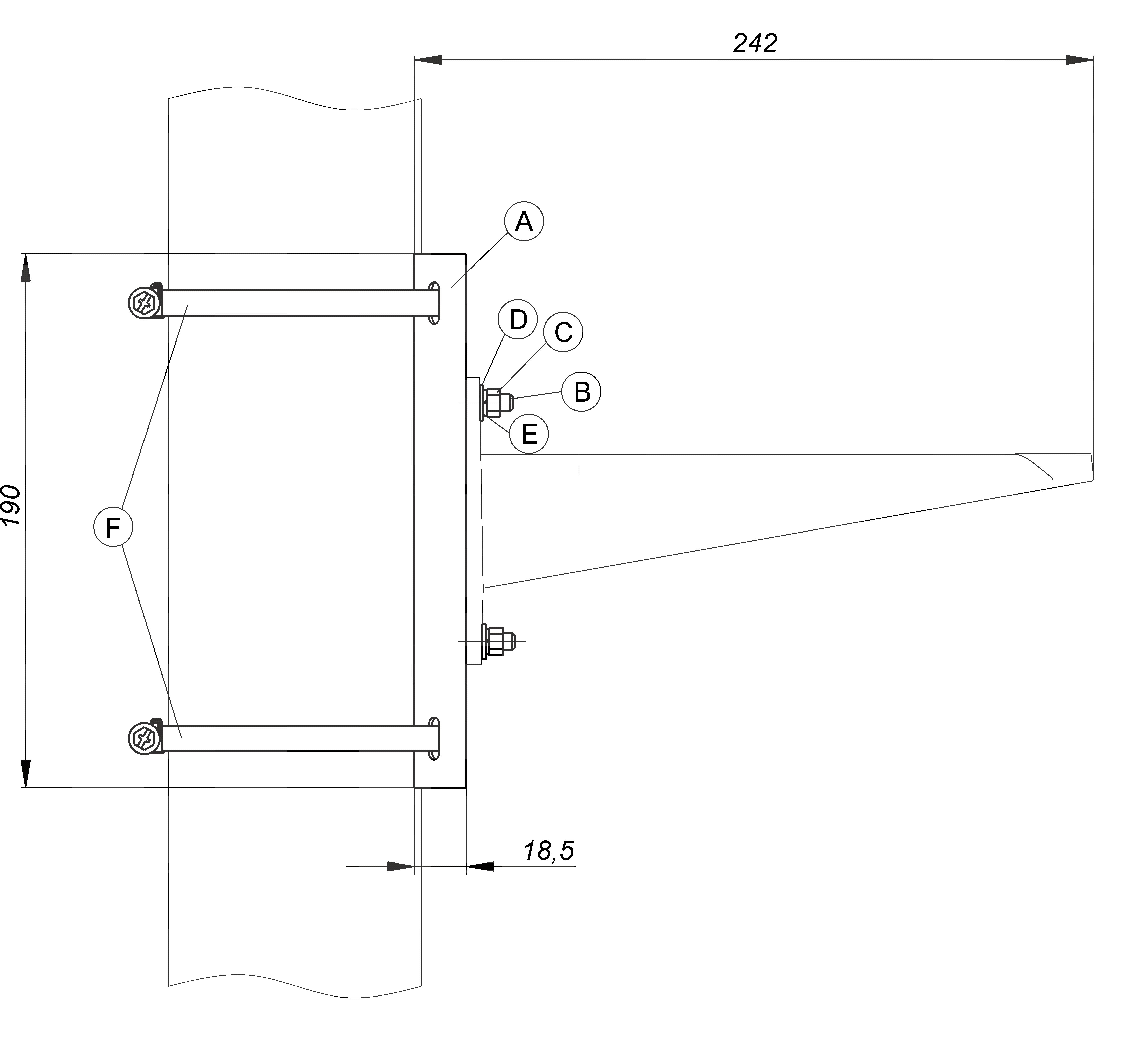
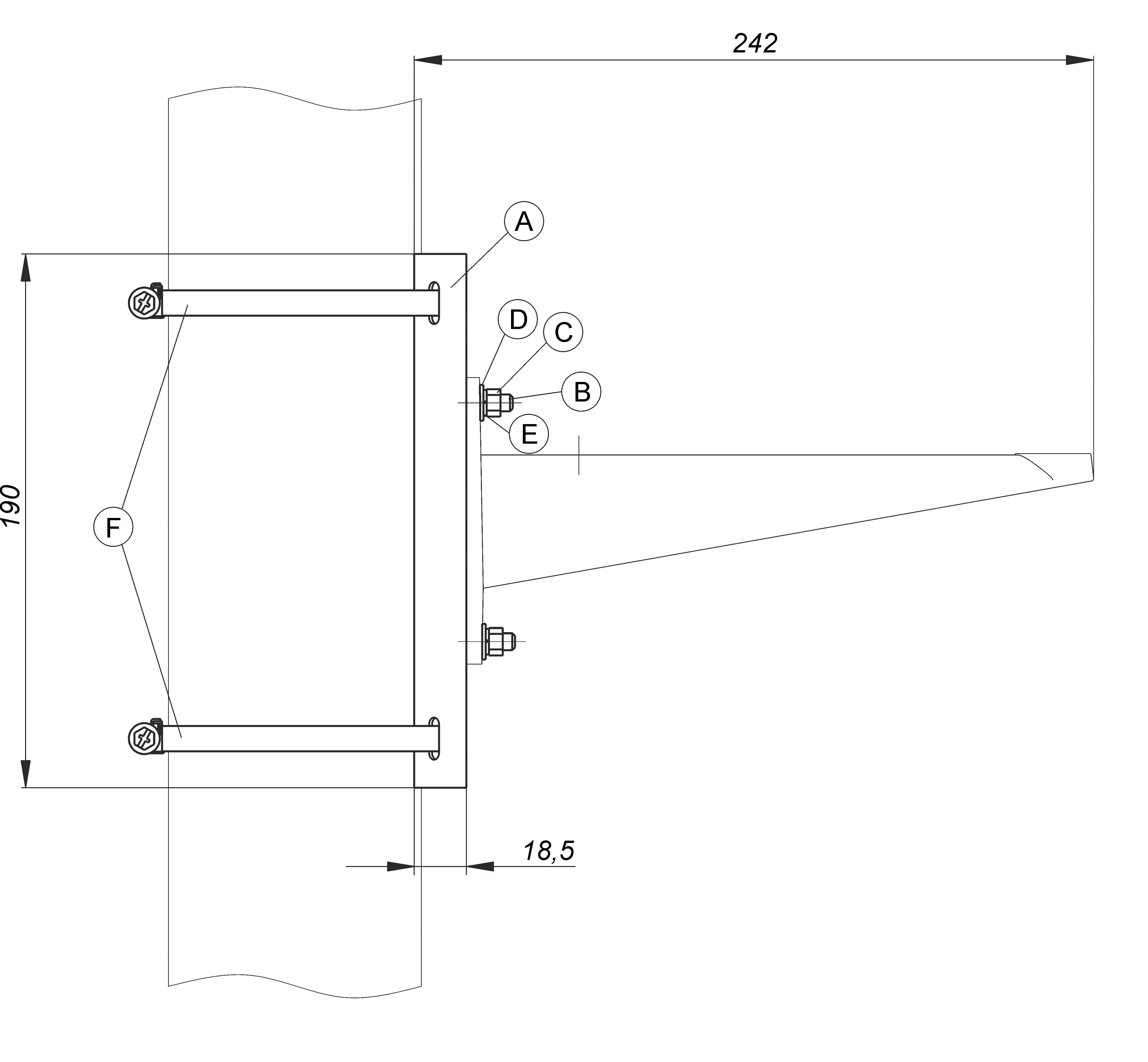
КС-1
Кронштейн крепления на опору для гермокоробок КМ-1, КМ-2, КМ-3
Производитель: Тахион
- Код:
- 00019983
- Бренд:
- Тахион
- Артикул
- 40053
- Базовая единица
- шт
1 533 руб.
Назначение:
Кронштейн КС-1 предназначен для крепления коробок монтажных КМ-1, КМ-2, КМ-3, блоков пита-ния БПУ-2 на квадратные и круглые опоры , = 115 ÷ 135 мм.
КС-1 выпускается по техническим условиям ТУ 4372-026-31006686-2011.

