КК-01 2Вв
Коробка коммутационная (0Ex ia IIC T6 Ga X), для подключения оконечного элемента R=2,2 кОм к ДПТ
Производитель: Спецсистемы
- Код:
- 00020824
- Базовая единица
- шт
- Доступность:
- заказная
610 руб.
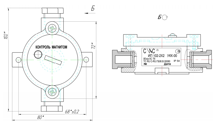
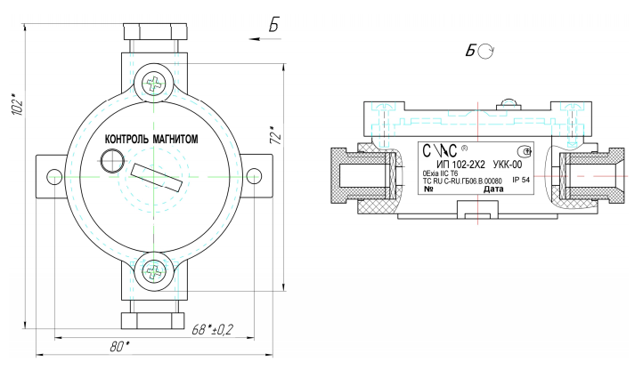
Коробка коммутационная КК-01 (конечная)
Для подключения оконечного элемента R=2,2 кОм к ДПТ
- 0Ex ia IIC T6 Ga X
- Габаритные размеры, мм 105х80х40
- Масса, кг 0,1

