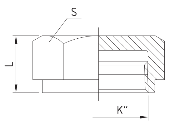
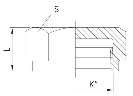
Заглушка ВР испытательная К 1 1/4"
Заглушка предназначена для установки на выпускном трубопроводе на ниппель насадка NVC при проведении гидравлических испытаний (211062)
Производитель: Спецавтоматика АО
- Код:
- 00021315
- Базовая единица
- шт
- Доступность:
- заказная
Данная модель является проектным оборудованием, цены по запросу.
Заглушка предназначена для установки на выпускном трубопроводе на ниппель насадка NVC при проведении гидравлических испытаний
Материал: Сталь 20 ГОСТ 1050-88
Технические характеристики
| Код оборудования | Наименование | Размеры | Масса, кг | ||
| K’’ | L, мм | S, мм | |||
| 211062 | Заглушка BP испытательная K 1 1/4’’ | 1 1/4’’ | 30 | 50 | 0,62 |

