Заглушка ВР испытательная К 1 1/2"
Заглушка предназначена для установки на выпускном трубопроводе на ниппель насадка NVC при проведении гидравлических испытаний (211061)
Производитель: Спецавтоматика АО
- Код:
 - 00021316
 - Базовая единица
 - шт
 
Данная модель является проектным оборудованием, цены по запросу.
                        						Заглушка предназначена для установки на выпускном трубопроводе на ниппель насадка NVC при проведении гидравлических испытаний
	 Материал: Сталь 20 ГОСТ 1050-88  
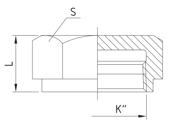
Технические характеристики
| Код оборудования | Наименование | Размеры | Масса, кг | ||
| K’’ | L, мм | S, мм | |||
| 211061 | Заглушка BP испытательная K 1 1/2’’ | 1 1/2’’ | 31 | 60 | 0,75 | 

									
									