Promix-AD.KM.01
(Шериф-3В.КЛ) манизм разблокировки замка
Производитель: ПРОМИКС ИТЦ
- Код:
- 00025021
- Бренд:
- Promix
- Базовая единица
- шт
- В наличии:
- 1
990 руб.
Описание
- Механизм разблокировки замка Promix-AD.KM.01 является независимым устройством и позволяет механически открыть электромеханический замок Promix-SM203 или Promix-SM213 любого исполнения в случае выхода из строя источника питания.
- Механизм является необходимым дополнением при использовании нормально закрытых замков для ограничения доступа в помещения, где постоянно находятся люди.
- Механизм является независимым устройством и позволяет механически открыть замок Promix-SM203 или Promix-SM213 даже в случае выхода его из строя!
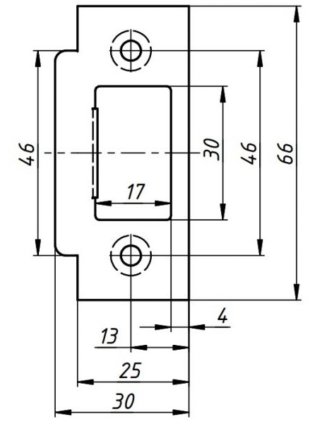
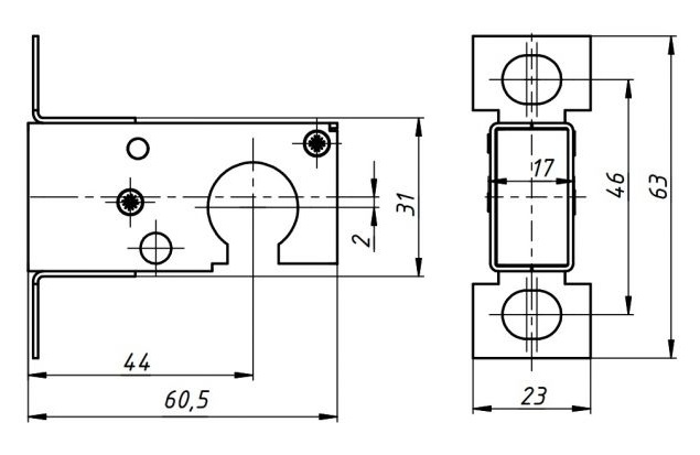
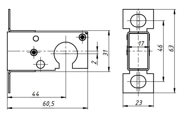
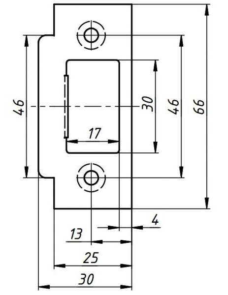
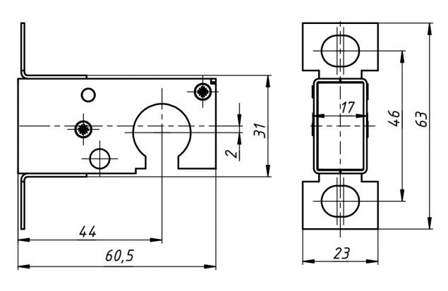
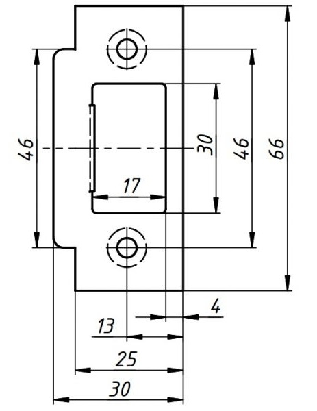
- Монтируется на дверное полотно толщиной 40 мм вместо запорной планки (из комплекта поставки замка).
- Применяется когда замок установлен в дверную коробку.
Комплект поставки
- Механизм разблокировки замка в сборе - 1 шт.
- Цилиндровый механизм 60 мм (в комплекте с ключами) - 1 шт.
- Планка - 1 шт.
- Ключевина (комплект) - 2 шт.
- Саморез 3,5х16 DIN 7982 - 4 шт.
- Шаблон для разметки - 1 шт.
- Руководство по эксплуатации - 1 шт.
Принцип действия механизма
Механизм используется вместо запорной планки замка и обеспечивает обычную работу замка Promix-SM203 или Promix-SM213 с управлением напряжением питания. Для механического открытия замка (независимо от исполнения замка, наличия напряжение питания и исправности механизма замка) необходимо повернуть ключ (снаружи) или ручку (изнутри) до упора и потянуть дверь.

