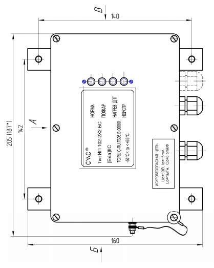
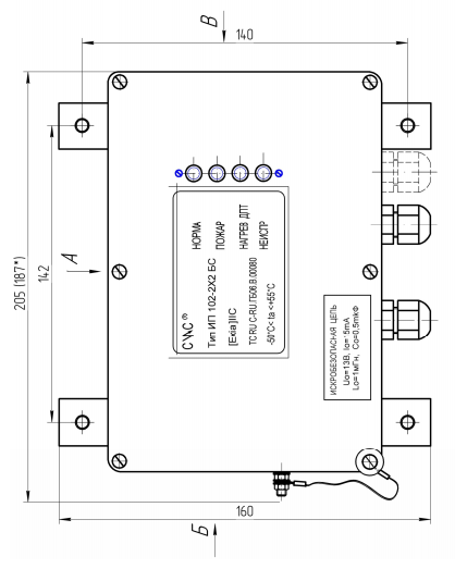
БС (А) Мет исп.2, 2вв
Блок сопряжения Addi-T универсальное исполнение, реле: "Пожар"-НЗ / "Неисправность"-НЗ, металлический корпус, 2 ввода
Производитель: Спецсистемы
- Код:
- 00029160
- Базовая единица
- шт
- Доступность:
- заказная
14 817 руб.
Блок сопряжения БС, (12 - 24 В)
- БС (А) - «Аddi-T», с функциями контроля термо-ЭДС (дифференциальный канал) и электрического сопротивления линии датчика (максимальный канал) с определением состояния «Пожар» по превышению контролируемой величиной в одном из каналов заданного порога;
- Мет - алюминиевый корпус;
- Начальное состояние КР «Неисправность» - НЗ –норм.замк.
- Начальное состояние КР «Пожар» - НЗ –норм.замк.
- 2вв - два кабельных ввода;

