ИП-212-141М с УС-02
Дымовой оптический пожарный извещатель. Четырехпроводный.
Производитель: Рубеж
- Код:
- 00029438
- Бренд:
- Рубеж
- Артикул
- Rbz-339509
- Базовая единица
- шт
Извещатель пожарный дымовой оптико-электронный ИП 212-141М предназначен для обнаружения загораний, сопровождающихся появлением дыма малой концентрации в закрытых помещениях различных зданий и сооружений.
ИП 212-141М V1.24
- Тип контактов для крепления проводов АЛС: V – зажимные
- Тип монтажа: 1 - на несущие конструкции
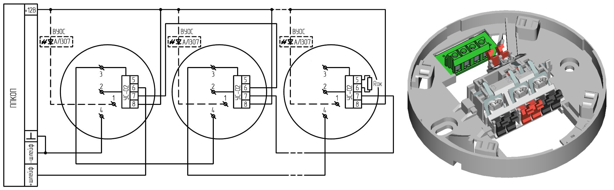
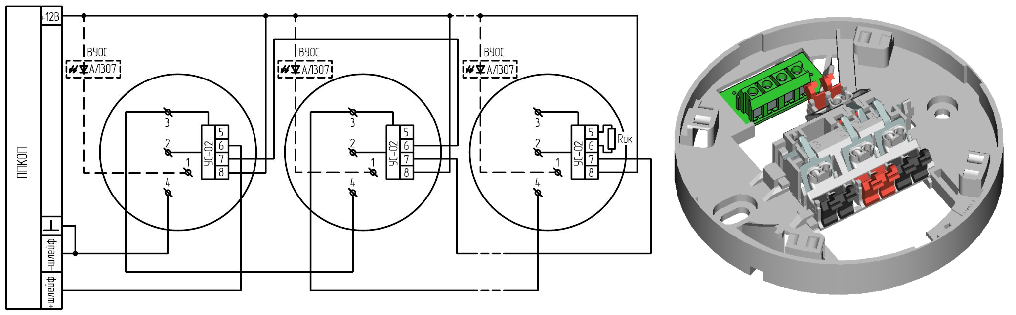
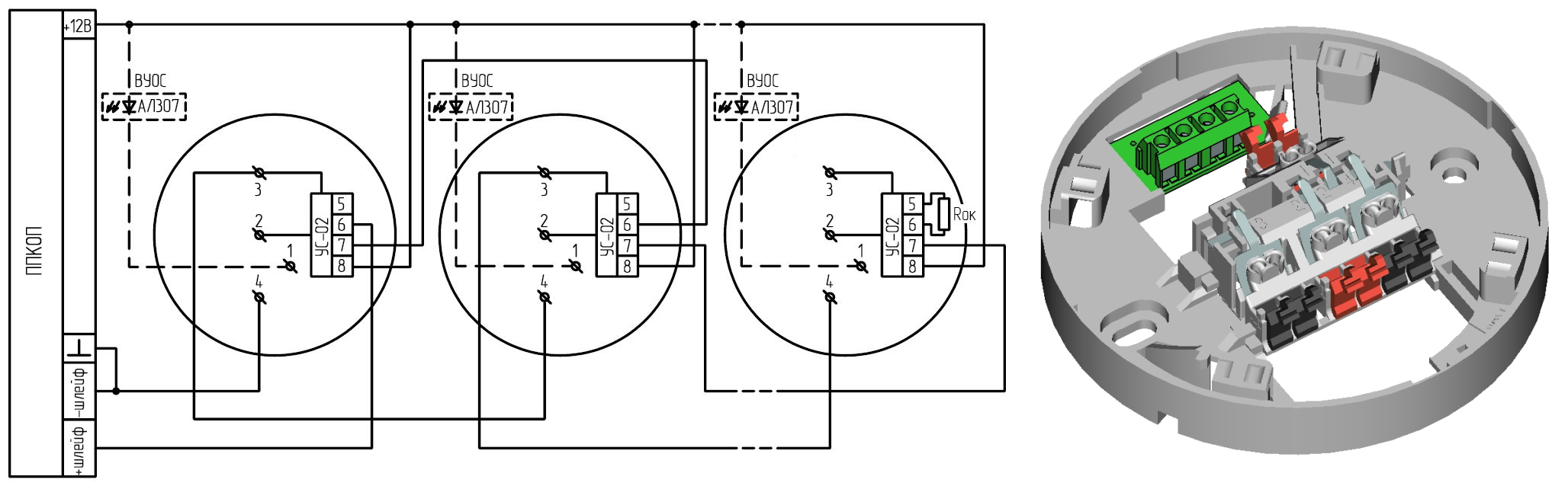
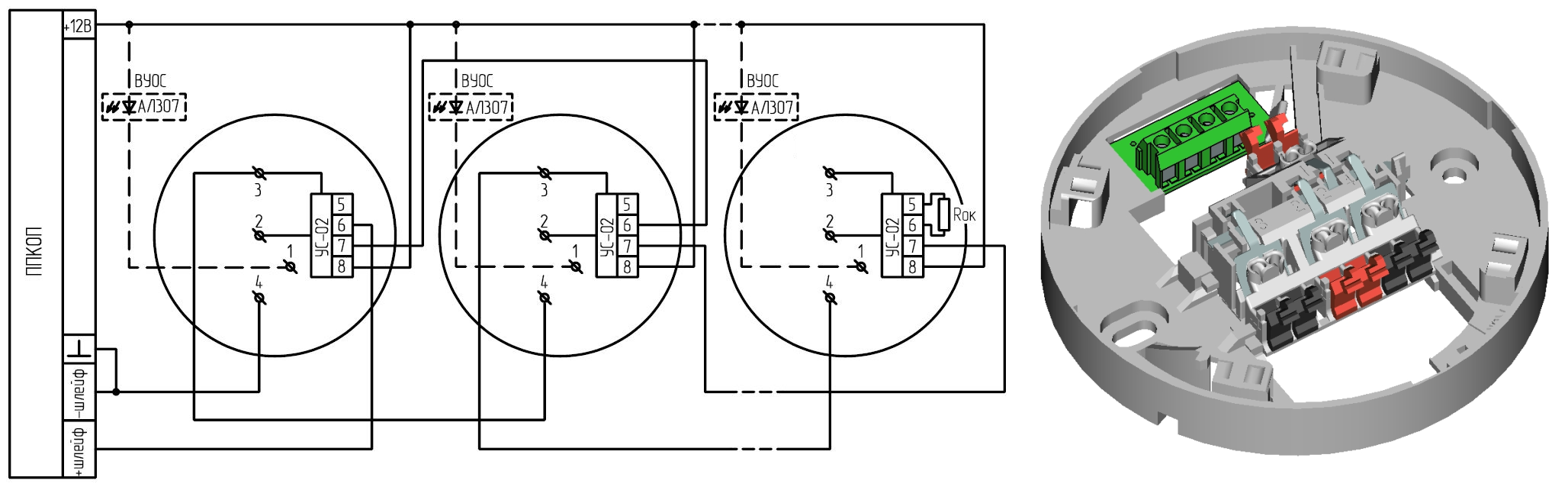
- Устройство согласования (УС): 2- с УС-02.
- Количество контактов: 4 – 4 контакта
- Дополнительные обозначения: без
Предназначен для круглосуточной и непрерывной работы с приемно-контрольными приборами, обеспечивающими напряжение питания в шлейфе сигнализации в диапазоне от 9 до 30 В и воспринимающими сигнал «Пожар» в виде скачкообразного уменьшения внутреннего сопротивления извещателя в прямой полярности до величины не более 1000 Ом, таких как Гранит, Гранд Магистр, ВЭРС ПК, Сигнал-20, Сигнал-20П и др.
Не реагирует на изменение температуры, влажности, на наличие пламени, естественного или искусственного света.
Выполняет следующие функции:
- измерение концентрации дыма;
- цифровая обработка по специальным алгоритмам результатов измерений и принятие решения о переходе в режим «Пожар»;
- уменьшение внутреннего сопротивления в режиме «Пожар» до величины 1 кОм;
- тестирование работоспособности с помощью специального устройства;
- светодиодная индикация режимов работы;
- горизонтальный круговой дымозаход;
- установка на основные несущие конструкции (основной потолок).
Соединение датчика с базовым основанием является разъемным. Круговые контакты позволяют устанавливать извещатель, не ориентируя его относительно базового основания. Оно является унифицированным и позволяет устанавливать любой неадресный извещатель Рубеж без перемонтажа системы.
Подключение минусового провода ШС к контактам 3 и 4, короткозамкнутым через извещатель, позволяет получить сигнал «неисправность ШС» на ППКП при изъятии извещателя с базового основания.
Безвинтовой способ крепления проводов с помощью кнопки-зажима обеспечивает надежный контакт и простоту монтажа.
Отличительной особенностью является инновационная микросхема ASIC R2. В данной микросхеме используется схематическое решение позволяющее исключить наводки, возникающие вследствие близкого расположения незаземленных электроприборов, источников освещения, электропроводки (соответствует требованиям ГОСТ 53325 для 4 степени жесткости).
Отличается от предыдущей модели повышенной степенью защиты оболочки - IP40.
Технические характеристики
| Напряжение питания, В | от 9 до 30 |
| Ток потребления в дежурном режиме, мкА, не более | 45 |
| Чувствительность, дБ/м | от 0,05 до 0,2 |
| Инерционность срабатывания, сек, не более | 9 |
| Тип установки | На основной потолок |
| Внутреннее сопротивление в режиме "пожар", не более, Ом | 1000 |
| Оптический индикатор состояния | Красный |
| Способ тестирования | Иголкой через технологическое отверстие |
| Степень жесткости к электромагнитным помехам | 4 |
| Масса извещателя без базового основания, г, не более | 210 |
| Масса извещателя с базовым основанием, г, не более | 210 |
| Диаметр извещателя без базового основания, мм, не более | 106 |
| Высота извещателя без базового основания, мм, не более | 46 |
| Диаметр извещателя с базовым основанием, мм, не более | 94 |
| Высота извещателя с базовым основанием, мм, не более | 44 |
| Гарантийный срок эксплуатации, мес, не более | 24 |
| Средний срок службы, лет | 10 |
| Диапазон рабочих температур, °С | от -45 до +55 |

