УЗП-24AC/5
Устройство защиты для цепей вторичных источников питания 24 В AC
Производитель: Тахион
- Код:
- 00029903
- Бренд:
- Тахион
- Артикул
- 20118
- Базовая единица
- шт
- Доступность:
- заказная
2 846 руб.
Назначение:
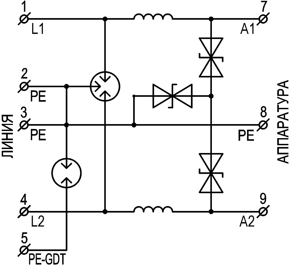
Устройство защиты УЗП-24AC/5 (далее изделие) предназначено для защиты цепей вторичных источников электропитания распределительных сетей аппаратуры промышленной автоматизации, систем сигнализации и прочих питаемых устройств от импульсных перенапряжений (грозовых, электростатических разрядов и др.). Грозозащита 24 устанавливается на границе 1 ÷ 2 зон молниезащиты и выше (в соответствии с МЭК 61312-1).
- Изделие выпускается по техническим условиям ТУ 26.30.50-077-31006686-2017.
- УЗП-24DC/5 (УЗП-12DC/5, УЗП-24AC/5) по техническим и эксплуатационным характеристикам удовлетворяет требованиям МЭК 61643-21-2000, ГОСТ Р 51317.4.5-99.
- Степень защиты IP20 в соответствии с ГОСТ 14254-96.
- Конструктивно УЗП-24DC/5 (УЗП-12DC/5, УЗП-24AC/5) выполнено в пластмассовом корпусе с креплением на 35мм DIN-рейку.
Технические характеристики
| Номинальное рабочее напряжение UN | 30 В DC | ||
| Макс. длительное рабочее напряжение UС | 24 В DC | ||
| Рабочий ток IN, не более | 5 A | ||
|
С2 Номинальный ток разряда In (8/20 мкс) Линия-линия / линия-земля |
2,5 / 2,5 кА | ||
| Суммарный импульсный ток (8/20 мкс) | 5 кА | ||
|
С2 Уровень напряжения защиты UP при In, не более: Линия – линия: (A1) относительно (A2) Линия – земля: (A1, A2) относительно (PE) Линия – земля: (A1, A2, PE) относительно (PE-GDT) |
80В 800В 600В |
||
| Время срабатывания tA, не болееЛиния-линия / линия-земля | 10 нс / 100 нс | ||
| Вносим. cопротивление на цепь, не более | 0,2 Ом | ||
| Вносимая индуктивность на цепь | 20 мкГн | ||
| Диапазон рабочих температур | - 55°С ¸ +85°С | ||
| Габаритные размеры | 89 х 58 х 35 мм | ||
| Вес в упаковке | 90 г | ||
| Категория испытаний по МЭК 61643-21 | С2 | ||

