БВД-306-2
Блок вызова на 2 абонента. Подсветка кнопок вызова и именных табличек. Корпус блока вызова "поликарбонат"
Производитель: МОДУС-Н НПФ
- Код:
- 00030249
- Бренд:
- VIZIT
- Базовая единица
- шт
- Доступность:
- заказная
4 862 руб.
Блок вызова на 2 абонента
Описание:
- Персональная кнопка вызова для каждого абонента.
- Дуплексная связь между посетителем и абонентом (до 80 секунд).
- Отпирание замка входной двери:
- при нажатии кнопки отпирания замка на абонентском устройстве;
- при нажатии кнопки для выхода.
- Программируемая продолжительность отпирания замка (от 1 до 20 секунд).
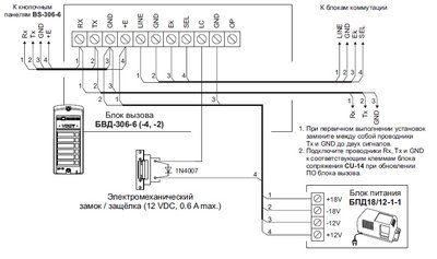
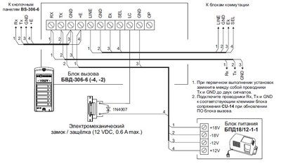
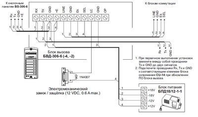
- Возможность подключения до трёх кнопочных панелей для увеличения количества подключённых абонентов.
- Параллельная работа до 2-х блоков вызова.
- Работа с пультом консьержа.
- Связь “Консьерж - Посетитель” по инициативе консьержа.
- Сигнал вызова в абонентском устройстве и дублирование сигнала в блоке вызова на время нажатия кнопки.
- Регулировка громкости служебных сигналов.
- Регулировка громкости дуплексной связи.
- Звуковая и световая сигнализация режимов работы.
- Подсветка кнопок вызова и именных табличек.
- Автоматическая компенсация сопротивления линии, повышающая устойчивость разговорного тракта.
- Возможность обновления ПО на объекте (с использованием блока сопряжения CU-14).

