УК-Д (05)-К2 исп. КМ-О с ОЭ
Устройство коммутации и диагностики с оконечным элементом ОЭ-05, Управление оповещателями, контроль линии связи с оповещателями
Производитель: Гефест
- Код:
- 00032755
- Бренд:
- Гефест ППУ
- Базовая единица
- шт
- Доступность:
- заказная
Устройство коммутации и диагностики – УК-Д(05)-К2 исп. КМ-О предназначено для управления оповещателями, подключаемыми к выходу и являющимися для устройства нагрузкой.
Выход устройства может быть сконфигурирован в двух вариантах:
Вариант 1. Управление оповещателями, включаемыми по команде «Пуск». В этом варианте конфигурирования устройство обеспечивает контроль линии связи с оповещателями с помощью оконечного элемента ОЭ-05 (поставляется в комплекте).
Вариант 2. Контроль линии связи с одним постоянно включенным оповещателем, например оповещателем «Выход» по величине тока потребления, значение которого не должно выходить за диапазон рабочих токов.
Устройство обеспечивает:
- контроль по всей длине линии связи с оповещателем в режиме постоянного включения (светоуказатели «Выход», «Насосная станция» и т. п.) либо с оповещателями, включаемые по сигналу «Пожар» (сирены, табло «Пожар» и т.п.) на обрыв и короткое замыкание
- формирование сигнала «Неисправность» при выявлении неисправности в линии связи и его трансляцию через ЦБ или УКЛСиП(РП) в любую систему пожарной сигнализации
- отключение неисправного ответвления с оповещателем(ями) от линии связи при коротком замыкании по любым причинам, в том числе при повреждении оповещателя(ей) в результате пожара, при этом работоспособность всей остальной линии оповещения сохраняется
Устройство может работать:
- в составе ППУ "Гефест" (при подключении в линию связи с управляющим устройством ЦБ или УКЛСиП(РП))
- под управлением стороннего ППУ (подключение через УКЛСиП(РП))
Принцип работы
Устройство получает питание и работает под управлением управляющего устройства: ЦБ или УКЛСиП(РП)
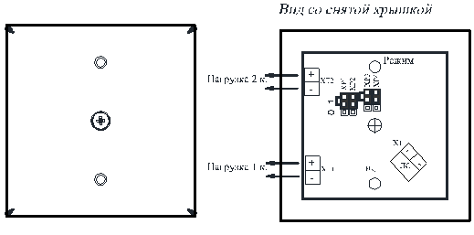
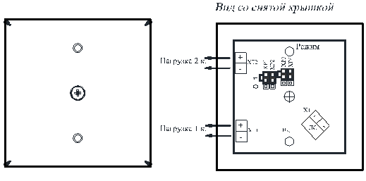
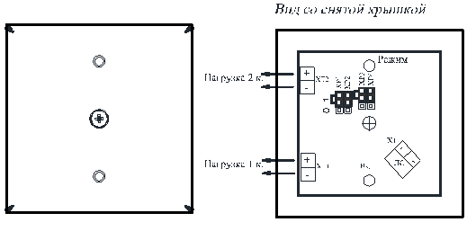
Вариант конфигурирования выхода устройства определяется установкой джамперов на парных вилках для УК-Д(05)-К2 исп. КМ-О - вилки ХР3‑ХР4 (для выхода ХТ1) и вилки ХР1-ХР2 (для выхода ХТ2)
При установке джамперов в положение «0» выход настроен на вариант конфигурирования работы с оповещателями, включаемыми по команде «Пуск».
При установке джамперов в положение «1» выход настроен на вариант конфигурирования работы с одним постоянно включенным оповещателем, типа оповещателя «Выход».
Для варианта конфигурирования работы выхода с оповещателями, включаемыми по команде «Пуск» в конце линии с оповещателями должен быть установлен оконечный элемент «ОЭ-05».
Устройство имеет два светодиода, индицирующие режим работы:
- светодиод красного цвета «Вкл.» включается и светится при подаче на устройство команды «Пуск»
- светодиод зеленого цвета «Режим» постоянно светится в дежурном режиме
При возникновении неисправности: короткого замыкания или обрыва в линии нагрузки индикатор «Режим» переходит в режим прерывистого свечения в виде кратковременных вспышек, следующих с частотой 4 Гц.
Для УК-Д(05)-К2 исп. КМ-О индикатор «Режим» индицирует неисправность при ее возникновении в одной из линий нагрузок.
Устройство передает извещение о неисправности по линии связи ЛС на управляющее устройство: ЦБ или УКЛСиП(РП).
Технические характеристики
- Номинальное напряжение линии связи от 10,5 до 28 В
- Ток потребления УК-Д(05)-К2 исп. КМ-О
| Ток потребления, не более, мА | ||||
|
Вариант 1 конфигурирования выхода |
Вариант 2 конфигурирования выхода |
|||
| Напряжение на ЛС 12 В | Напряжение на ЛС 24 В | Напряжение на ЛС 12 В | Напряжение на ЛС 24 В | |
| Дежурный режим | 10 | 12 | 5 | 9 |
| Режим «Пуск» | 17 | 22 | 10 | 12 |
- Минимальный ток выхода (ток потребления оповещателями) не менее 6 мА
- Максимальный ток выхода (ток потребления оповещателями) не более 500 мА
- Степень защиты оболочки IР41
- Габаритные размеры не более, 72х72х36 мм
- Масса не более, 0,15 кг

