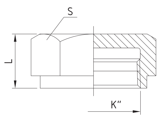
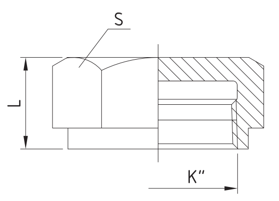
Заглушка ВР испытательная К 1"
Заглушка предназначена для установки на выпускном трубопроводе на ниппель насадка NVC при проведении гидравлических испытаний (211060)
Производитель: Спецавтоматика АО
- Код:
- 00032895
- Базовая единица
- шт
- Доступность:
- заказная
Данная модель является проектным оборудованием, цены по запросу.
Заглушка предназначена для установки на выпускном трубопроводе на ниппель насадка NVC при проведении гидравлических испытаний
Материал: Сталь 20 ГОСТ 1050-88
Технические характеристики
| Код оборудования | Наименование | Размеры | Масса, кг | ||
| K’’ | L, мм | S, мм | |||
| 211060 | Заглушка BP испытательная K 1’’ | 1’’ | 29 | 41 | 0,36 |

