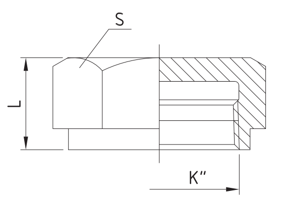
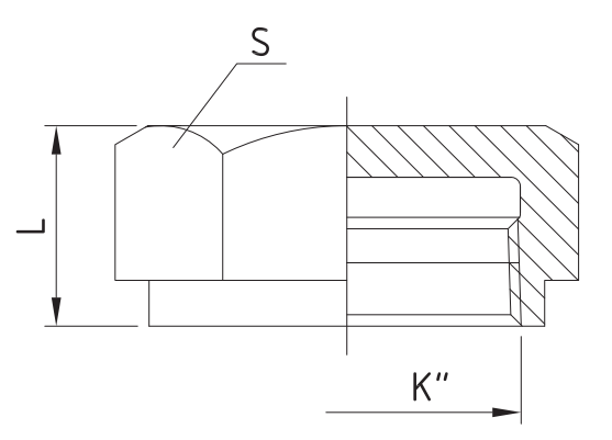
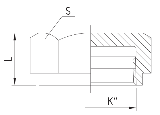
Заглушка ВР испытательная К 3/4"
Заглушка предназначена для установки на выпускном трубопроводе на ниппель насадка NVC при проведении гидравлических испытаний (211059)
Производитель: Спецавтоматика АО
- Код:
 - 00032902
 - Базовая единица
 - шт
 
Данная модель является проектным оборудованием, цены по запросу.
                        						Заглушка предназначена для установки на выпускном трубопроводе на ниппель насадка NVC при проведении гидравлических испытаний
	 Материал: Сталь 20 ГОСТ 1050-88  
Технические характеристики
| Код оборудования | Наименование | Размеры | Масса, кг | ||
| K’’ | L, мм | S, мм | |||
| 211059 | Заглушка BP испытательная K 3/4’’ | 3/4’’ | 23 | 34 | 0,28 | 

									
									