Promix-SM490.10
Электромеханический замок, усилие удержания 150 кг, нормально закрытый, Без ригеля, кожуха и кронштейна, DC 12В/0,65 А, цвет: серебро
Производитель: ПРОМИКС ИТЦ
- Код:
- 00035403
- Базовая единица
- шт
1 476 руб.
Описание
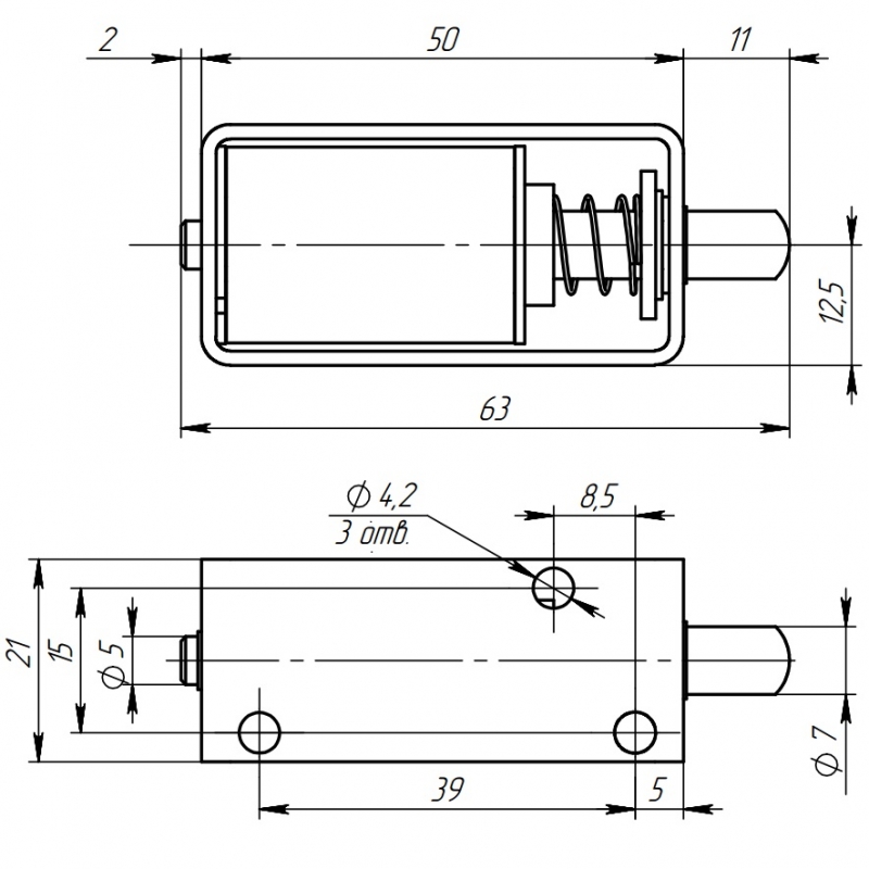
Замок серебристого цвета с крепежными отверстиями в корпусе.
При подаче напряжения питания электромагнитным полем якорь втягивается в замок. Для работы замка необходим источник питания и контроллер СКУД.
Для открытия замка контроллер СКУД должен подать на замок напряжение питания на время, не превышающее указанное в технических характеристиках.
Усилие втягивания: только для свободного перемещения якоря
Технические характеристики
| Рабочее положение |
↔ (горизонтально) ↕ (вертикально) |
| Напряжение питания постоянного тока, В | 10÷14 |
| Потребляемый ток, А | 0,65 (при 12В) |
| Температупа окружающего воздуха Tокр., °С |
от -40 до +35* от +35 до +50** |
| Длительность импульса напряжения питания Tвкл, сек | 0,5÷60 |
| Пауза между импульсами напряжение питания, сек |
6xTвкл (минимум)* 10xTвкл (минимум)** |

