УЗЛ-И-24/5
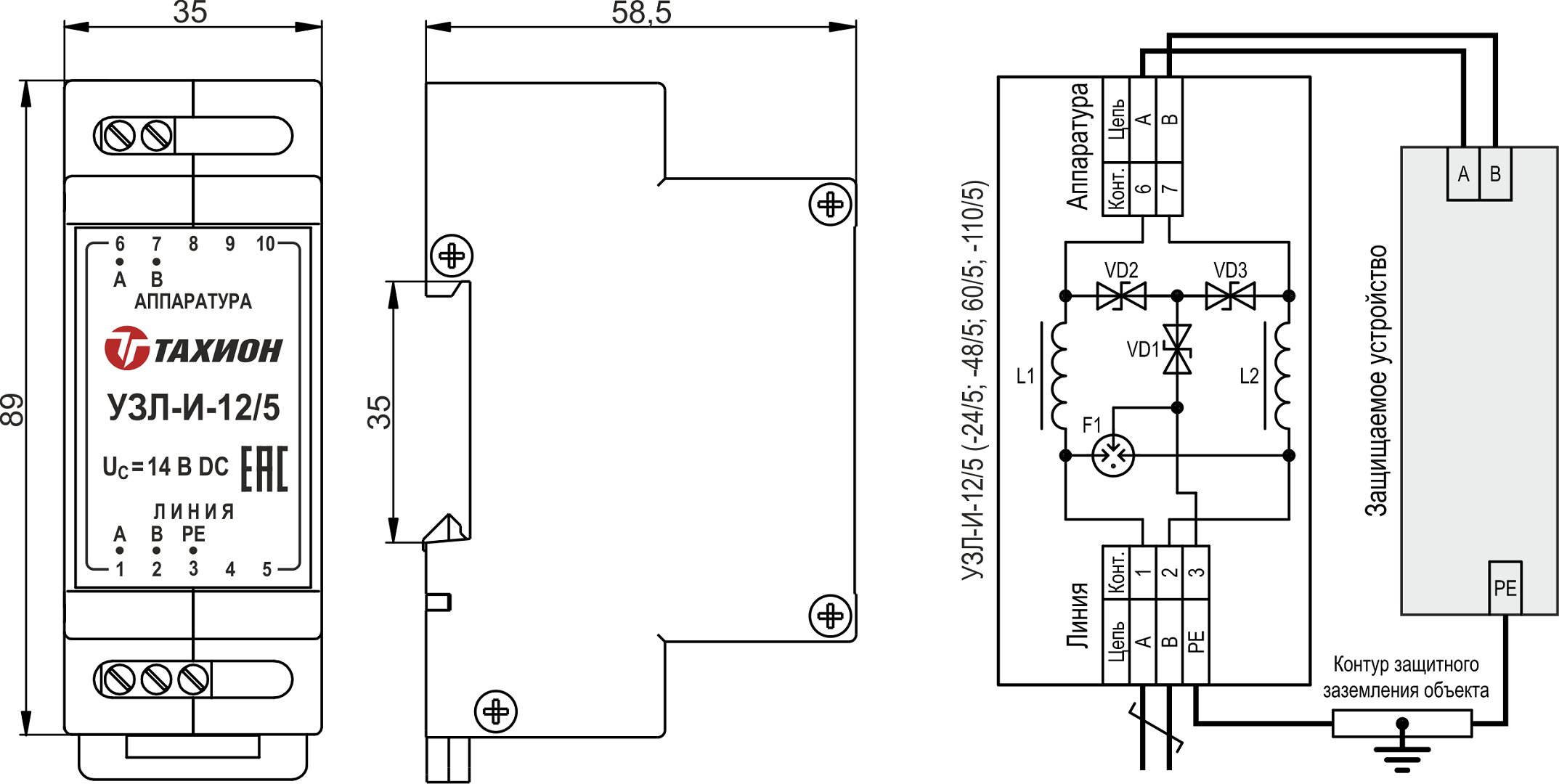
Устройство защиты интерфейсов с подачей питания и обеспечивает передачу питания 24 В DC по сигнальным парам с величиной тока до 5 А. на DIN-рейку. 89х58х35мм. - 55°С - +85°С.
Производитель: Тахион
- Код:
- 00037747
- Бренд:
- Тахион
- Артикул
- 20136
- Базовая единица
- шт
- Доступность:
- заказная
2 835 руб.
Устройство защиты интерфейсов с подачей питания УЗЛ-И-24/5 предназначено для защиты от импульсных перенапряжений (грозовых, электростатических разрядов и др.) оборудования промышленной автоматизации, диспетчеризации, систем безопасности, использующих 2х проводные линии интерфейса RS-485, RS-422, M-bus, CAN и их разновидностей, в пределах 2 ÷ 3 зон молниезащиты (в соответствии с МЭК 61312-1).
- Устройство обеспечивает передачу питания 24 В DC по сигнальным парам с величиной тока до 5 А.
- Защищаемое оборудование: контроллеры систем сигнализации и автоматизации, исполнительные устройства, системы телеметрии и учёта.
- По техническим и эксплуатационным характеристикам удовлетворяет требованиям МЭК 61643-21, ГОСТ IEC 61000-4-5.
- Степень защиты IP20 в соответствии с ГОСТ 14254.
- Конструктивно устройство выполнено в пластмассовом корпусе с креплением на 35мм DIN-рейку.
- Устройство выпускается по техническим условиям ТУ 26.30.50-077-31006686-2017.
Технические характеристики:
| Характеристики | Значение |
|---|---|
| Номинальное рабочее напряжение UN | 24 В DC |
| Макс. длительное рабочее напряжение UС | 28 В DC |
| Номинальный рабочий ток IN | 5 А |
| Номинальный ток разряда (8/20 мкс) In | 2 кА |
| Максимальный ток разряда (8/20 мкс) IMAX | 10 кА |
| С2 Уровень напряжения защиты UP при In | 45 В |
| Максимальная имп. мощность рассеивания TVS-диодами Pppm | 1500 Вт |
| Время срабатывания tA, не более | 10нс/100нс |
| Вносимая в цепь индуктивность, не более | 10 мкГн |
| Скорость передачи данных, не более | 1 Мбит / сек |
| Сечение подключаемых проводов, не более | 2,5 мм2 |
| Диапазон рабочих температур | – 55°С ¸ +85°С |
| Габаритные размеры | 89 х 58 х 35 мм |
| Вес в упаковке | 90 г |
| Категория испытаний по МЭК 61643-21 | А2, В2, С1, С2, С3, D1 |

