ВУК-34-PoE+ Р2
Всепогодный узел коммутации для обеспечения работы от 1-й до 4-х IP-видеокамер с питанием по технологии РоЕ/PoE+. Оборудован комплектом бесперебойного питания КБП - 7,2А·ч. 380х380х210мм. -60°С…+50°C. IP66
Производитель: Тахион
- Код:
- 00037897
- Бренд:
- Тахион
- Артикул
- 58008
- Базовая единица
- шт
- Доступность:
- заказная
Назначение:
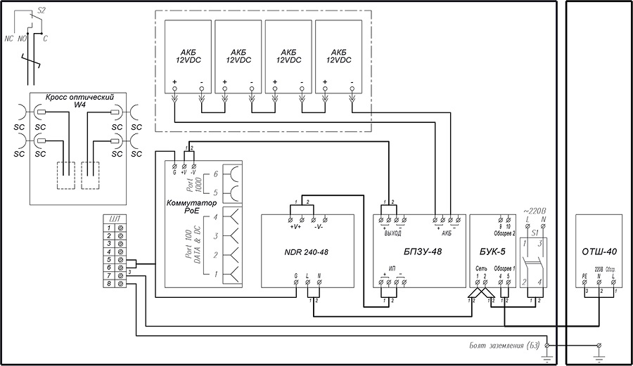
Всепогодный узел коммутации ВУК-34-РоЕ+ Р2 предназначен для обеспечения работы от 1-й до 4-х IP-видеокамер с питанием по технологии РоЕ/PoE+, организации группового канала передачи данных по волоконно-оптической сети, а также поддержания заданного температурного режима при эксплуатации задействованного оборудования.
Изделие оборудовано:
- блоком управления климатом (БУК-5), предназначенным для управление обогревом;
- обогревателем термошкафов ОТШ-60, оборудованным встроенным биметаллическим выключателем, ограничивающим температуру поверхности радиатора до +90°С;
- комплектом бесперебойного питания КБП — 7,2А·ч;
- тамперным контактом для сигнализации о несанкционированном доступе.
Изделие выпускается по техническим условиям ТУ 26.30.50-077-31006686-2017.
По способу защиты человека от поражения электрическим током изделие соответствует классу I по ГОСТ 12.2.007.0-75.
Климатическое исполнение изделия соответствует УХЛ1,5 ГОСТ 15150-69. Степень защиты IP 66.
Технические характеристики
| Питание изделия: | |
| — напряжение питания | 220В AC ±10%, 50Гц |
| — максимальный ток нагрузки | 6А |
| Обогрев: | |
| — напряжение питания | 220В AC ±10%, 50Гц |
| — потребляемая мощность | 60Вт |
| Диапазон рабочих температур | — 60°С … +50°С |
| Интерфейсы: | |
| — порт 10/100/1000 Base-T RJ-45 PoE+ | 4шт. |
| — порт 1000 Base-X SFP | 2шт. |
| Питание подключаемых видеокамер/устройств | PoE IEEE 802.3af/ PoE IEEE 802.3at |
| Максимальная мощность, подключаемых видеокамер/устройств, не более: | |
| — по стандарту PoE IEEE 802.3af | 4х15W |
| — по стандарту PoE IEEE 802.3at | 4х30W |
| — общий бюджет PoE | 120W |
| Максимальная потребляемая мощность | 200Вт |
| Характеристики КБП- 7,2А ч: | |
| — номинальное выходное напряжение | 48÷55 В DC |
| — напряжение отсечки аккумуляторных батарей (АКБ) от нагрузки | 38÷41 В DC |
| — максимальный ток нагрузки | 5А |
| — ёмкость АКБ | 7,2А ч |
| Материалы и поверхности изделия: | |
| — корпус (дверь) | листовая сталь 1,25 (1,5)мм, грунтовка, порошковое покрытие |
| — панель монтажная | листовая сталь 2мм, оцинкованная |
| Габаритные размеры (без гермовводов) | 380х380х210мм |
| Вес c упаковкой | 16кг |

