КК-02 3Вв
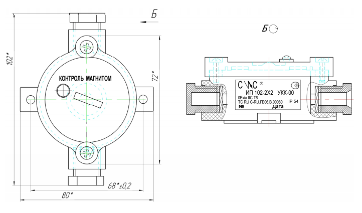
Коробка коммутационная (0Ex ia IIC T6 Ga X), для подключения к ДПТ ответвлений (ДТК,ИПР-К,ДПТ-Т)
Производитель: Спецсистемы
- Код:
- 00038290
- Базовая единица
- шт
- Доступность:
- заказная
808.60 руб.
Коробка коммутационная КК-02 (проходная)
Для подключения к ДПТ ответвлений (ДТК,ИПР-К,ДПТ-Т)
- 0Ex ia IIC T6 Ga X
- Габаритные размеры, мм 112х80х40
- Масса, кг 0,1

