ИО-102-43 "Нержавейка" исп.01
Магнитоконтактный для металлических поверхностей; контакты переключаются при тревоге
Производитель: Магнито-Контакт
- Код:
- 00042587
- Артикул
- 02-0021-0001
- Базовая единица
- шт
- Доступность:
- заказная
2 523.90 руб.
ИО 102-43 "Нержавейка" исп.01 ПАШК.425119.069
Извещатели предназначены для обнаружения несанкционированного открывания или перемещения охраняемых конструкций (дверей, окон, шкафов, сейфов, ячеек, выдвижных ящиков и т.п.), выполненных из магнитных материалов (стали и сплавов), с последующей выдачей извещения о тревоге на приемно-контрольный прибор или оконечное объектовое устройство системы передачи извещений по ГОСТ Р 52435-2015.
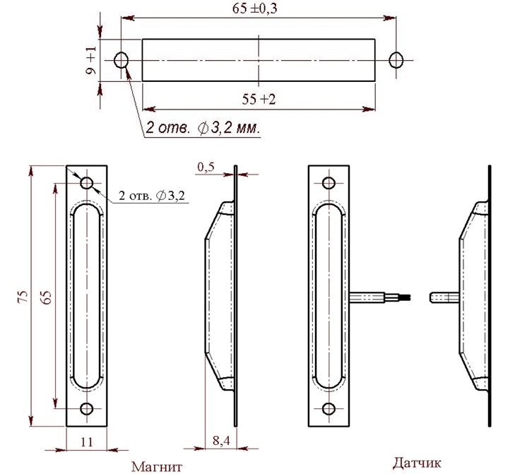
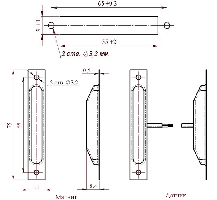
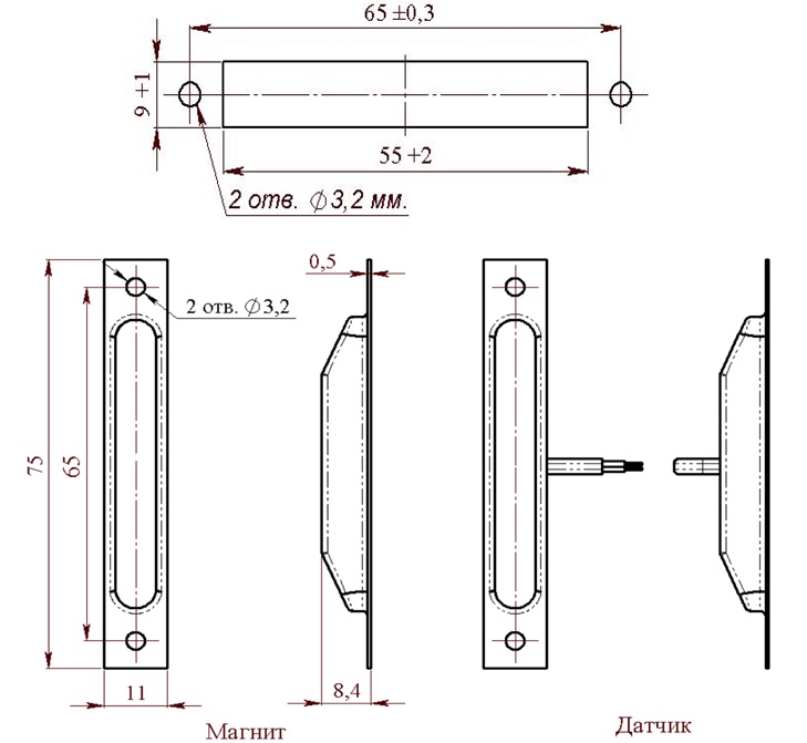
- Извещатели состоят из исполнительного блока (на основе геркона) и задающего блока (на основе постоянного магнита).
- Корпуса блоков изготовлены из нержавеющей стали марки 12Х18Н10Т по ГОСТ 5632-2014.
- Из корпуса исполнительного блока выведен сигнальный кабель длиной 400 мм.
Технические характеристики
| Коммутируемый ток, мА | от 1 до 250 |
| Коммутируемое напряжение, В | от 0,02 до 72 |
| Максимальное число коммутаций при максимальной мощности 10 Вт | 1 млн |
| Габаритные размеры блоков, мм | 75x11x8,4 |
| Масса датчика, магнита, кг, не более | 0,02 |
| Диапазон рабочих температур, °С | от -50 до +50 |
| Сопротивление замкнутых контактов, Ом, не более | 0.5 |
| Степень защиты, обеспечиваемая оболочкой | IP68 |
| Срок службы, лет | 8 |

