ПИП-50/20 ВБ исп.88А
Прожектор инфракрасный периметровый взрывозащищенный, до 70 метров. Угол освещения 20°, Диапазон рабочих температур -60° ÷ +50°С.
Производитель: Тахион
- Код:
- 00044078
- Бренд:
- Тахион
- Артикул
- 10136
- Базовая единица
- шт
Прожектор инфракрасный периметровый взрывозащищенный ПИП-50/20 ВБ исп.88 А предназначен для освещения объектов в инфракрасном спектре в условиях недостаточной освещенности и в полной темноте в составе систем видеонаблюдения совместно с видеокамерами день/ночь во взрывоопасных зонах 1 и 2 (при классификации по зональному признаку) или взрывоопасных зонах классов В-1, В-1а, В-1г, где возможно образование взрывоопасных смесей категории IIА и IIВ групп Т1÷Т6 в соответствии с главой 7.3 «Правил устройства электроустановок» без какой-либо дополнительной защиты.
- Выполнен в термокожухе ТГБ-4М Ex IIC исп.88 из алюминиевого сплава
- С маркировкой взрывозащиты 1Ex db IIC T6 Gb X / Ex tb IIIC T80°C Db X
- Со степенью защиты обеспечиваемой оболочкой – IP66/IP68.
- Прожектор выпускаются по техническим условиям ТУ 26.30.50-081-31006686-2019.
Прожекторы имеют защиту:
- от переполюсовки;
- аварийное отключение входного напряжения при достижении температуры оболочки термокожуха +70 ºС.
Прожекторы имеют функции:
- включения/выключения от встроенного датчика освещённости;
- включения/выключения «по команде» реле сигнализации и т.п.;
- внешнего управления режимом «день/ночь» видеокамеры (при наличии у неё данной опции);
- «антифары» – задержка выключения на 1 минуту при засветке датчика освещённости прожектора фарами автомобиля.
Прожекторы соответствуют:
- техническим требованиям – ГОСТ Р 51558;
- требованиям безопасности – ГОСТ Р МЭК 60065;
- требованиям ЭМС – ГОСТ Р 50009, ГОСТ 30804.3.2, ГОСТ 30804.3.3;
- степени защиты от поражения электрическим током – III классу по ГОСТ 12.2.007.0;
- климатическому исполнению – УХЛ1, 5 по ГОСТ 15150;
- степени защиты – IP66/IP68 по ГОСТ 14254.
Технические характеристики:
| Дальность с ТВ камерой с чувств. 0,005 лк, м | 50 |
| Предельная дальность с освещенностью 1 лк, м | 70 |
| Угол освещения | 20° |
| Напряжение питания, В DC | 12 ± 10 % |
|
Мощность потребления, Вт – в режиме освещения – в ждущем режиме |
6,5 / 9,5 (обогрев 3 Вт) 0,25 / 3,25 |
| Порог включения, лк | 10 ± 5 |
| Длина волны, нм | 850 |
| Длина кабеля питания./управления (4х0.5 мм²), м | 1 |
| Максимальная длина кабеля управления, м, не более | 300 |
| Диапазон температуры окружающей среды при эксплуатации, °С | -60 … +50 |
| Влажность воздуха при +25 °С, % | до 100 |
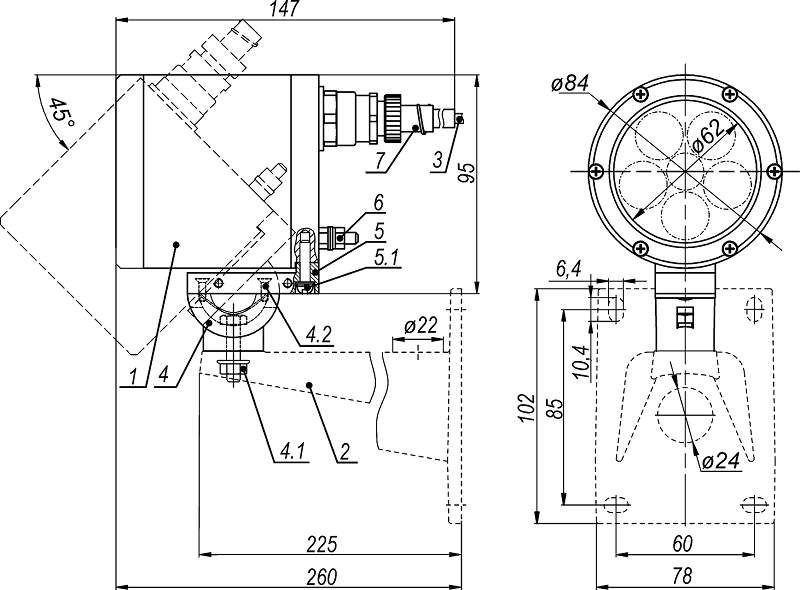
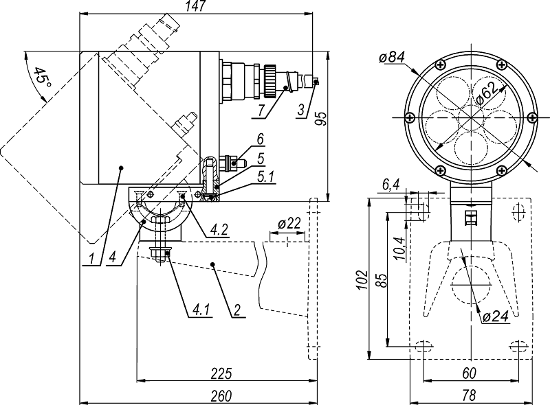
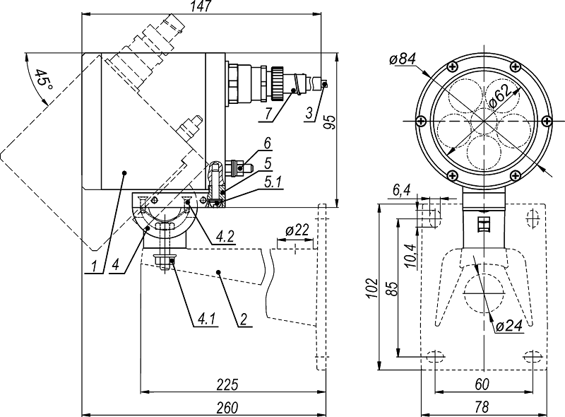
| Габаритные размеры, мм | см. рисунок 1 |
| Масса с упаковкой, кг, не более | 1,0 |
| Материал корпуса | сплав алюминиевый, покрытие – краска порошковая RAL9002 |
| Режим работы | круглосуточный |

