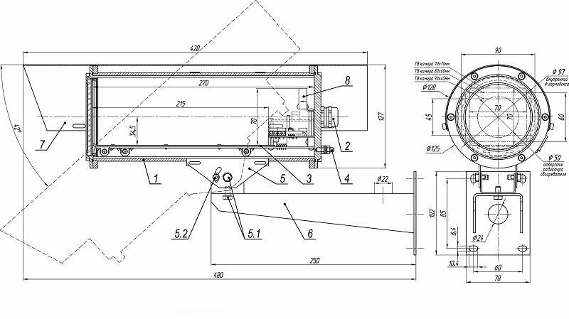
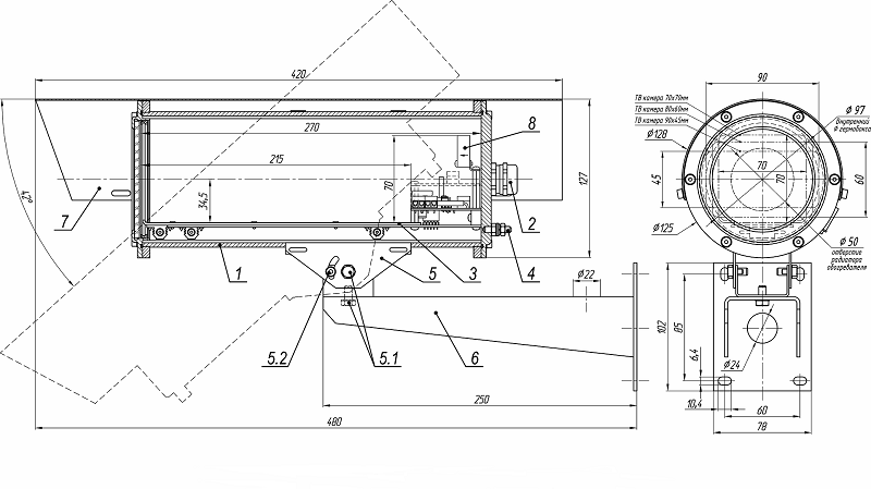
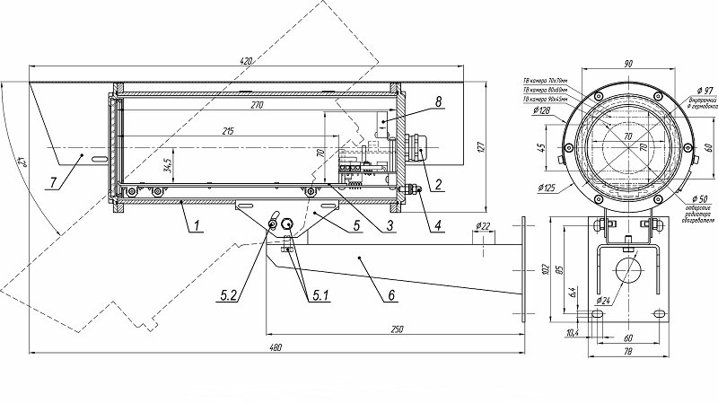
ТГБ-9-220/12
Термокожух для видеокамеры из нержавеющей кислотостойкой аустенитной стали (12Х18Н10Т). IP66/IP68. Рабочий объем 70х70х215 мм. 220В AC. Напряжение питания видеокамеры 12В DC или 220В AC. Мощность обогрева 31/21 Вт. -60°С/-40°С…+50°C. Холодный пуск. Два гермоввода 7-12мм.
Производитель: Тахион
- Код:
- 00044575
- Бренд:
- Тахион
- Артикул
- 02002
- Базовая единица
- шт
Термокожух ТГБ-9-220/12 предназначен для защиты сетевых (IP) и аналоговых видеокамер с объективами, ИК прожекторов и другого электронного оборудования от воздействия окружающей среды (влаги и отрицательных температур) в условиях морского климата, химических производств и прочих агрессивных сред. Материал термокожуха – нержавеющая кислотостойкая аустенитная сталь.
Изделие обеспечивает
- автоматическое включение/отключение встроенного обогревателя в заданном диапазоне температур;
- преобразование ряда входных напряжений в стандартный ряд напряжений питания видеокамер;
- безаварийное включение электропитания видеокамеры при отрицательной температуре внутри термокожуха, обеспечивая надежную работу видеокамеры при перерывах в электропитании и исключая выход видеокамеры из строя при запуске;
- две ступени мощности обогрева, что позволяет использовать термокожуха в разных климатических зонах в соответствии с ГОСТ 15150-69;
Трмокожух соответствует
- техническим требованиям - ГОСТ Р 51558-2014;
- требованиям по безопасности – ГОСТ Р МЭК 60065-2009;
- требованиям по ЭМС – ГОСТ Р 50009-2000, ГОСТ Р 51317.3.2-99, ГОСТ Р 51317.3.3-2008;
- степени защиты от поражения электрическим током по ГОСТ 12.2.007.0-75 – I классу
Модуль видеокамеры изолирован от корпуса термокожуха.
Изделие выпускается по техническим условиям ТУ 26.30.50-077-31006686-2017.
Климатическое исполнение термокожуха соответствует УХЛ1,5 ГОСТ 15150-69.
Степень защиты IP66/IP68.
Технические характеристики
| Характеристика | Значение |
|---|---|
| Напряжение питания | 220 В AC |
| Напряжение/ток внутреннего источника питания |
12 В DC / 0,7 А 220 В AC / 0,1 А |
| Мощность обогрева | 31 Вт / 21 Вт |
| Максимальный потребляемый ток (включая видеокамеру) | 0,2 А / 0,15 А |
| Диапазон рабочих температур | – 60 °С / – 40 °С ÷ +50 °С |
| Температура вкл./откл. обогрева | 20 °С / 25 °С |
| Температура холодного запуска откл./вкл. | -10 °С / -5 °С |
| Влажность воздуха | до 100 % при +25 °С |
| Вес с упаковкой (не более) | 3,5 кг |
| Режим работы | круглосуточный |

