ТГБ-9-PoE+
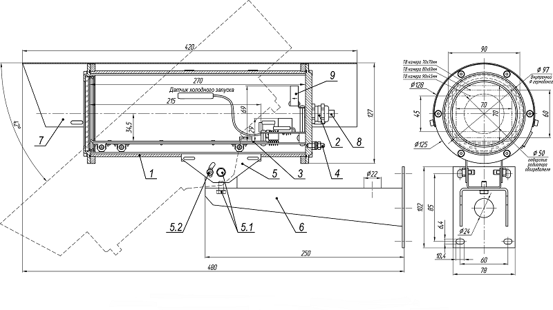
Термокожух для видеокамеры из нержавеющей кислотостойкой аустенитной стали (12Х18Н10Т). IP66/IP68. Рабочий объем 70х70х215 мм. Питание термокожуха по стандарту IEEE 802.3at (PoE+).
Производитель: Тахион
- Код:
- 00044577
- Артикул
- 02004
- Базовая единица
- шт
Термокожух ТГБ-9 PoE+ предназначен для установки сетевых (IP) видеокамер Ethernet 10/100BASE-TX и защиты их от воздействия окружающей среды (влаги и отрицательных температур). Питание термокожуха и видеокамеры осуществляется от инжектора PoE+ стандарта IEEE 802.3at по кабелю UTP категории 5e как по сигнальным, так по резервным парам (в комплект поставки не входит). Материал термокожуха – нержавеющая кислотостойкая аустенитная сталь.
Изделие обеспечивает
- автоматическое включение/отключение встроенного обогревателя в заданном диапазоне температур;
- защиту от холодного запуска видеокамеры.
Трмокожух соответствует
- техническим требованиям - ГОСТ Р 51558-2014;
- требованиям по безопасности – ГОСТ Р МЭК 60065-2009;
- требованиям по ЭМС – ГОСТ Р 50009-2000, ГОСТ Р 51317.3.2-99, ГОСТ Р 51317.3.3-2008;
- степени защиты от поражения электрическим током – III классу ГОСТ 12.2.007.0-75;
Модуль видеокамеры изолирован от корпуса термокожуха.
Изделие выпускается по техническим условиям ТУ 26.30.50-077-31006686-2017.
Климатическое исполнение термокожуха соответствует УХЛ1,5 ГОСТ 15150-69.
Степень защиты IP66/IP68.
Технические характеристики
| Характеристика | Значение |
|---|---|
| Подача питания на термокожух | по стандарту IEEE 802.3at (PoE+) |
| Выходное напряжение инжектора PoE+ | 50 ÷ 56 В DC |
| Стандарты IP видеокамеры | Ethernet 10/100BASE-TX и IEEE 802.3af |
| Максимальная рабочая дальность | 100 м |
| Максимальная потребляемая мощность видеокамеры |
при дальности 100 м – 6 Вт, при 50 м – 8 Вт |
| Максимальная потребляемая мощность | 25 Вт |
| Температура вкл./откл. обогрева | +15 °С / +20 °С |
| Температура откл./вкл. холодного запуска | -10 °С / -5 °С |
| Диапазон рабочих температур | -60 °С ÷ +50 °С |
| Влажность воздуха | до 100 % при +25 °С |
| Вес с козырьком и кронштейном (не более) | 6,5 кг |

