ST-DM030NC-BR
Магнитоконтактный датчик, НЗ, коричневый, врезной для металлических дверей, зазор 35 мм
Производитель: Smartec
- Код:
- 00044979
- Бренд:
- Smartec
- Базовая единица
- шт
- Доступность:
- заказная
220 руб.
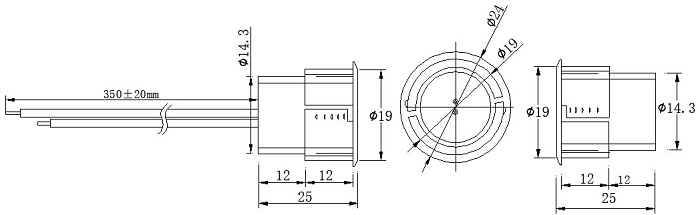
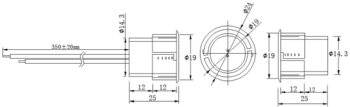
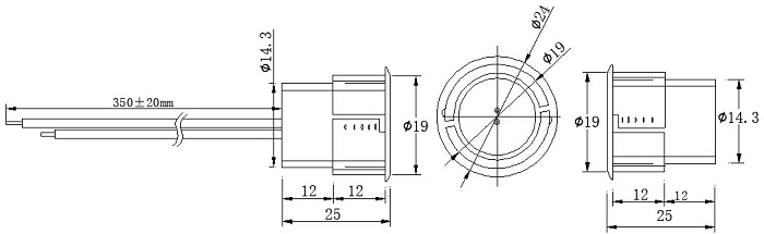
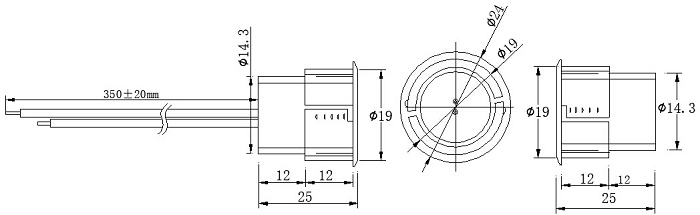
ST-DM030NC-BR Магнитоконтактный извещатель
Извещатель магнитоконтактный предназначен для контроля положения различных строительных конструкций (дверей, окон, люков, ворот и т.д.). Данное устройство может использоваться в системах охранной сигнализации или контроля и управления доступом.
- Подходит для металлических или металлопластиковых конструкций
- Врезной тип установки
- Кабельный отвод для подключения
Технические характеристики
| Параметры | Значения |
|---|---|
| Материал: | Пластик |
| Цвет: | Коричневый |
| Тип монтажа: | Врезной |
| Выход: | НЗ, ОБЩ; 3 Вт, 30 В DC |
| Рабочий зазор: | 25–35 мм |
| Класс защиты: | IP66 |
| Диапазон рабочих температур: | от -30 до +65 °С |
| Диапазон рабочей влажности: | 10%–98% |
| Габариты: | Æ19 х 25 мм / Æ19 х 25 мм |

