Плазма-Ехi-АБИЗ-C
Барьер искрозащиты, один канал, Uпит. 9-20 В, Iнагр. 160мА, Tокр. среды -55°…+85°С, [Exia]IIC X/[Exia]I X, IP54
Производитель: ЭТРА-Спецавтоматика
- Код:
- 00045667
- Базовая единица
- шт
- Доступность:
- заказная
"Плазма" АБИЗ с маркировкой взрывозащиты [Ex ib Gb] IIC X/[Ex ib Mb] I X/[Ex ib Db] IIIC X внешний активный искрозащитный барьер, обеспечивающий защиту «искрозащитная цепь i» для каждого из каналов.
Представляет собой единый неразборный блок, залитый компаундом и помещенный в пластмассовый корпус, обеспечивает однополярное питание связанного электрооборудования. При попадании высокого напряжения в искробезопасные цепи (идущие от ПКП или ИЭ к барьеру) барьер обеспечивает перегорание встроенного предохранителя и тем самым отключает защитную цепь от опасного напряжения. Защита от превышения тока в искрозащитной цепи обеспечивается утроением ячейки активной токовой защиты.
Тип барьера «Плазма» АБИЗ должен иметь тип аналогичный типу оповещателя «Плазма» (С или СЗ).
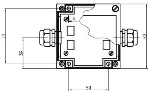
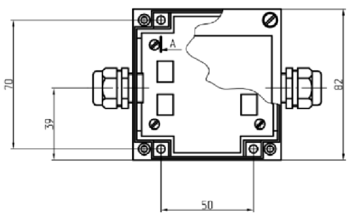
Технические характеристики
|
Маркировка взрывозащиты |
[Ex ib Gb] IIC X/[Ex ib Mb] I X / [Ex ib Db] IIIC X |
| Максимальное рабочее напряжение, В | 14,4 |
| Максимальное входное переменное напряжение (Um), В | 250 |
| Максимальное выходное напряжение барьера (Uo), В | 20 |
| Максимальный выходной ток барьера (Io), мА | 200 |
| Максимальная внешняя ёмкость (Со), мкФ | 0,11 |
| Максимальная внешняя индуктивность (Lo), мГн | 0,4 |
| Гальваническая развязка схемы питания контроля исправности линии на уровне 500 В переменного тока | |
| Напряжение источника питания контроля исправности линии, В | 10 - 14 |
| Ток схемы контроля питания АБИЗ-С, не более, мА | 65 |
| Степень защиты оболочкой | IP54 |
| Габаритные размеры барьера, мм, не более ДхШхВ | 80 х 80 х 55 |
|
Рабочие условия применения барьера: - температура окружающего воздуха, °С - относительная влажность воздуха, % |
от -40 до +60 до 95 при t°=40°C |

