БПУ-2-220VAC-24VDC/2,0A ВБ
Блок питания уличный во взрывозащищённом корпусе. Класс взрывозащиты 1ExdbIICT5Gb. Напряжение питания 100–240VАС, 50Гц; 150–380VDC. Выходное напряжение 24/27VDС ± 10 %. 2А.
Производитель: Тахион
- Код:
- 00046922
- Артикул
- 14003
- Базовая единица
- шт
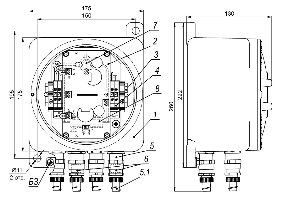
Блок питания уличный (во взрывозащищённом корпусе ШГВА171712 1Ex db IIС T5 Gb)
Предназначен для питания взрывозащищённых видеокамер напряжением постоянного тока и может быть использован в качестве самостоятельного источника питания для других электронных устройств.
Может эксплуатироваться во взрывоопасных зонах 1 и 2 (при классификации по зональному принципу) или взрывоопасных зонах классов В-I, В-Iа, В-Iб, В-Iг, где возможно образование взрывоопасных газовых смесей категорий IIА, IIВ групп Т1-Т5 в соответствии с главой 7.3 «Правил устройства электроустановок».
- Имеет разделительный трансформатор, входная и выходная обмотки которого не связаны электрически, и между ними существует двойная (усиленная) изоляция. Для компенсации падения напряжения на длинных линиях изделие имеет переключатель напряжения 27 В (S1).
- Конструктивно выполнен в корпусе из коррозионностойкого модифицированного алюминиево-кремниевого сплава, устойчивого к солевому туману и другим химическим веществам, в том числе устойчивого к парам сероводорода и соляной кислоты, к солевым и кислым рудничным водам, фрикционно искробезопасный (полимерно-эпоксидное окрашивание с антистатическим свойством, фрикционно искробезопасное, устойчивое к рабочим средам и ионизирующему излучению, RAL 7035).
- В блоке установлены 4 кабельных ввода (латунь никелированная).
- Выпускается по техническим условиям ТУ 26.30.50-077-31006686-2017.
Блок питания соответствуют:
- техническим требованиям – ГОСТ Р 51558;
- требованиям безопасности – ГОСТ Р МЭК 60065;
- требованиям ЭМС – ГОСТ Р 50009, ГОСТ 30804.3.2, ГОСТ 30804.3.3;
- степени защиты от поражения электрическим током – I классу по ГОСТ 12.2.007.0;
- климатическому исполнению – УХЛ1, 5 по ГОСТ 15150;
- степени защиты – IP66 по ГОСТ 14254.
Технические характеристики
| Напряжение питания | 100–240 В АС, 50 Гц; 150–380 В DC |
| Выходное напряжение | 24* / 27 B DC |
| Максимальный выходной ток | 2 А |
| Тип защиты от КЗ, перегрузки и перегрева | автоматический |
| Напряжение пробоя вход/выход | 3000 В / 60 сек / 5 мА |
| Сопротивление изоляции вход/выход. | 100 МОм при ±500 В |
| Диапазон температуры окружающей среды при эксплуатации | -60°C ÷ +50°C |
| Температура холодного старта** | не ниже -40°C |
| Мощность обогрева (при 220В АС) | 22 Вт |
| Диапазон включения/отключения обогрева | 0°С / +10°С |
| Габаритные размеры | 260 х 175 х 130мм |
| Режим работы | круглосуточный |
| Масса с упаковкой, не более | 5 кг |

