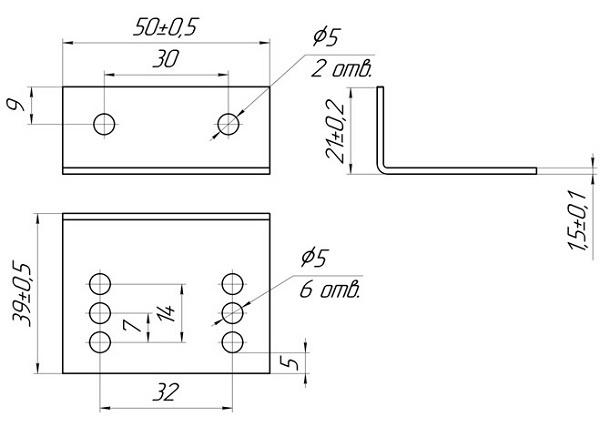
Кронштейн К-20/50
Кронштейн из нержавеющей стали для монтажа извещателей охранных ИО 102-20, ИО 102-50, сигнализатора СМК-20
Производитель: Магнито-Контакт
- Код:
- 00049758
- Артикул
- 15-0001-0001
- Базовая единица
- шт
560.90 руб.
Предназначен для изменения положения при монтаже блока магнита или блока датчика магнитоконтактных извещателей ИО 102-50 ПАШК.425119.121ТУ, ИО 102-20 АТФЕ.425119.133ТУ и сигнализаторов магнитоконтактных СМК-20 АТФЕ.425119.169ТУ к поверхностям охраняемых конструкций.
Позволяет изменить положение одного из блоков на 90 град, что обеспечивает правильное совмещение блока магнита и датчика и исключает нестабильную работу извещателя или сигнализатора.
Технические характеристики
| Материал | немагнитная нержавеющая сталь толщиной 1.5 мм |
| Температура эксплуатации | от -80 до +250°С |
| Масса | не более 0.05 кг |
| Срок службы | 20 лет |

