AntiFire-051133
38.30 руб.
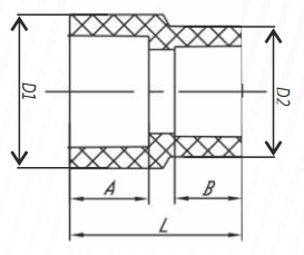
Муфта переходная полипропиленовая (PP-R) противопожарная FireResistant D25-20
Используется для автоматических установок пожаротушения.
- Температура 80 °С рабочая, 95 °С максимальная
- Давление PN25
- D, мм 25-20
- D1, мм 24,5-0,3
- D2, мм 19,5-0,3
- A, мм 16,5
- B, мм 15
- L, мм 37,5

