AntiFire-051274
35.60 руб.
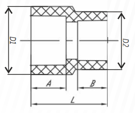
Муфта переходная полипропиленовая (PP-R) противопожарная FireResistant D32-20
Используется для автоматических установок пожаротушения.
- Температура 80 °С рабочая, 95 °С максимальная
- Давление PN25
- D, мм 32-20

