AntiFire-051134
34.70 руб.
Муфта переходная полипропиленовая (PP-R) противопожарная FireResistant D32-25
Используется для автоматических установок пожаротушения.
- Температура 80 °С рабочая, 95 °С максимальная
- Давление PN25
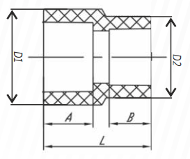
- D, мм 32-25
- D1, мм 31,5-0,4
- D2, мм 24,5-0,3
- A, мм 22,5
- B, мм 17,5
- L, мм 47,2

