AntiFire-051027
63.60 руб.
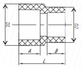
Муфта переходная полипропиленовая (PP-R) противопожарная FireResistant D40-25
Используется для автоматических установок пожаротушения.
- Температура 80 °С рабочая, 95 °С максимальная
- Давление PN25
- D, мм 40-25
- D1, мм 39,45-0,5
- D2, мм 24,5-0,3
- A, мм 22
- B, мм 16,5
- L, мм 45

