AntiFire-051025
355.90 руб.
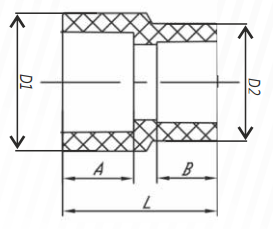
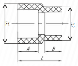
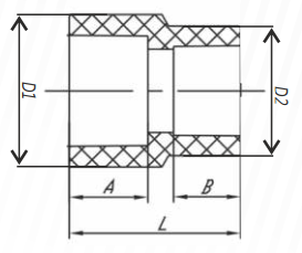
Муфта переходная полипропиленовая (PP-R) противопожарная FireResistant D63-40
Используется для автоматических установок пожаротушения.
- Температура 80 °С рабочая, 95 °С максимальная
- Давление PN25
- D, мм 63-40
- D1, мм 62,5-0,6
- D2, мм 39,45-0,4
- A, мм 27,5
- B, мм 21
- L, мм 66

