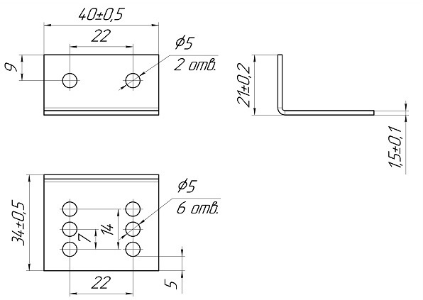
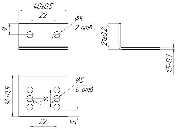
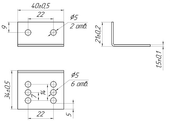
Кронштейн К-40
Кронштейн из нержавеющей стали для монтажа извещателей охранных ИО 102-40
Производитель: Магнито-Контакт
- Код:
- 00056885
- Артикул
- 15-0006-0001
- Базовая единица
- шт
- Доступность:
- заказная
469 руб.
Кронштейн К-40 АЯКС предназначен для изменения положения при монтаже блока магнита или блока датчика магнитоконтактных извещателей ИО 102-40 АТФЕ.425119.066ТУ к поверхностям охраняемых конструкций.
Позволяет изменить положение одного из блоков на 90 град, что обеспечивает правильное совмещение блока магнита и датчика и исключает нестабильную работу извещателя или сигнализатора.
Технические характеристики
| Материал | немагнитная нержавеющая сталь толщиной 1.5 мм |
| Температура эксплуатации | от -80 до +250°С |
| Масса | не более 0.05 кг |
| Срок службы | 20 лет |

