ДИХАНТ
Двухпозиционный извещатель. Частота 24050-24250 МГц, диапазон температур от -40 до +65ºС. Для охраны участков периметра. Эллиптический корпус. Дальность до 100 м. Узкая зона обнаружения, интерфейс RS-485.
Производитель: Юмирс
- Код:
- 00046774
- Артикул
- ЮСДП.425142.066
- Базовая единица
- шт
- Доступность:
- заказная
135 000 руб.
ДИХАНТ ЮСДП.425142.066
Устройство предназначено для создания систем охраны периметра и территорий. Интеграция новейших технологий СВЧ и компьютерного интеллекта.
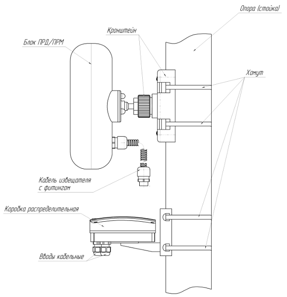
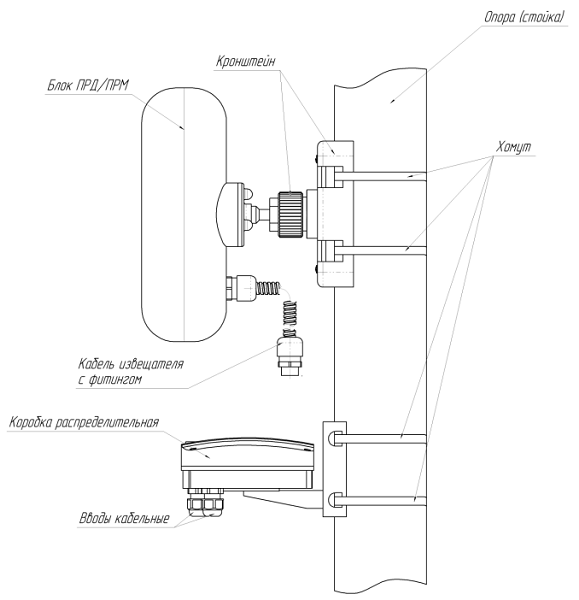
- ДИХАНТ ЮДСП.425142.066 ― эллиптический, дальность действия до 100 м
Особенности
- Частотный диапазон 24 ГГц, не требующий согласования с контролирующими органами ГКРЧ
- Высокостабильный цифровой генератор СВЧ. Количество рабочих частот генератора 250 (шаг установки рабочей частоты 1 МГц)
- Супергетеродинный приемник с высокой чувствительностью
- Длина охраняемого рубежа до 100 м. Ширина зоны отчуждения при длине охраняемого рубежа 300 метров около 1 метра
- Допускается установка вплотную к заграждениям, без ухудшения параметров обнаружения нарушителя
- Высокая помехоустойчивость, обусловленная частотным диапазоном и цифровой фильтрацией сигнала
- Программно изменяемые функции обнаружения нарушителя и алгоритма принятия решения о выдаче тревоги
- Программы настройки и мониторинга на персональном компьютере или прибора контроля с упрощенным меню
- Имеется стандартный релейный выход
Характеристики
| Запас по уровню принимаемого сигнала при максимальной длине ЗО, не менее, дБ | 6 |
| Высота ЗО при длине участка 300 м, не менее, м | 2 |
| Диапазон обнаруживаемых скоростей, м/с | от 0,1 до 10,0 |
| Диапазон рабочих напряжений питания, В | от 9 до 36 |
| Дальность обнаружения (м) | до 100 |
|
Потребляемый ток при рабочем напряжении питания 24 В, мА, не более: а) «ДИХАНТ» ПРД б) «ДИХАНТ» ПРМ |
130 150 |
| Время готовности после включения питания, с, не более | 30 |
| Время восстановления дежурного режима после окончания извещения о тревоге, с, не более | 10 |
| Параметры сигнала, коммутируемого контактами выходной цепи: ток, постоянный или переменный, мА, не более; | 100 |
| Амплитудное напряжение, В, не более | 72 |
|
Параметры сигнала ДК: входное сопротивление цепи, кОм, не более; напряжение импульса, В; длительность импульса, с, не менее |
5 10-30 0,5 |
| Длительность извещения, с, не менее | 3 |
| Рабочая частота, МГц | 24150±100 |
| Габаритные размеры ПРМ (ПРД) с кронштейном, мм, не более |
Эллиптический 150х100х240 |
| Масса извещателя в упаковке, кг, не более | ,5 |
| Средний срок службы извещателя, лет, не менее | 8 |
| Вероятность обнаружения, не менее | 0,98 |
| Среднее время наработки на отказ, ч, не менее | 60000 |
| Вероятность возникновения отказа, приводящего к ложной тревоге, за 1000 ч, не более | 0,01 |

