Преобразователь интерфейсов для сопряжения интерфейса RS-485 c интерфейсом USB ПК при настройке извещателей. (ЮСДП.468153.001)
Оборудование Юмирс |
Извещатель охранный, минимальная дальность 12 м, минимальная/максимальная дальность 12/40 м, рабочая частота 24 ГГц, от -40 до 65?С, 12/24 В, 70/45 мА
Извещатель охранный радиволновый, Арктическое исполнение, Рабочая дальность действия – от 4 до 50 м., рабочая частота 24 ГГц, от -60 до 65С, 12/24 В,
Радиоволновый однопозиционный извещатель. «Штора» до 60 м, - 50 - + 65 С, 10,5…30 В, 60 мА.
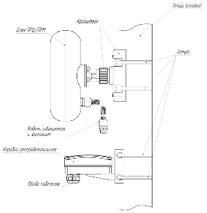
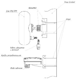
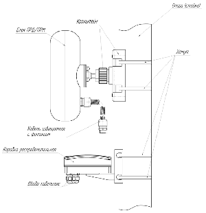
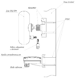
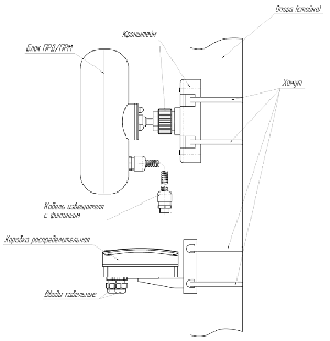
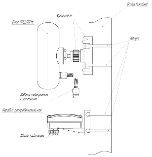
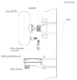
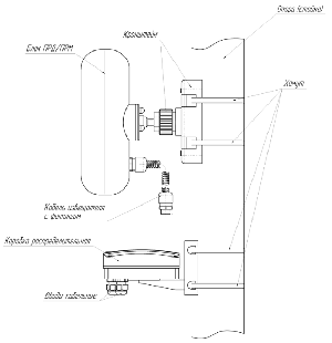
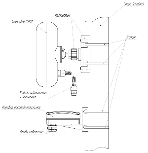
Извещатель охранный однопозиционный радиоволновый, f-раб.24150 ± 100 МГц, длина зоны обнаружения до 50 м, два типа зоны обнаружения - "площадь" и "штора", до 12 зон обнаружения длиной по 4.2 м каждая, RS-485, релейные выходы "ТРЕВОГА" и "ТАМПЕР", U-пит.8…30 В, I-потр.50 мА, IP54, t-раб.-40…+65°С, 240х200х100 мм
Извещатель охранный однопозиционный радиоволновый, арктическое исполнение ХЛ1 по ГОСТ 15150-69, f-раб.24150 ± 100 МГц, длина зоны обнаружения до 50 м, два типа зоны обнаружения - "площадь" и "штора", до 12 зон обнаружения длиной по 4.2 м каждая, RS-485, релейные выходы "ТРЕВОГА" и "ТАМПЕР", U-пит.8…30 В, I-потр. до 550 мА, IP54, t-раб.-60…+65°С, 240х200х100 мм
Вибрационный чувствительный элемент длиной 125 м Кабель трибоэлектрический с оконечной муфтой.
Вибрационный чувствительный элемент длиной 250 м. Кабель трибоэлектрический с оконечной муфтой.
Вибрационный чувствительный элемент длиной 125 м. Трибоэлектрический кабель с оконечной муфтой. Повышенная чувствительность к вибрационным воздействиям.
Вибрационный чувствительный элемент длиной 250 м. Трибоэлектрический кабель с оконечной муфтой. Повышенная чувствительность к вибрационным воздействиям.
Блок электронный вибрационного извещателя для участков периметра до 500 м, от - 45 до + 50, 9...36 В, 80 мА, четыре чувствительных элемента с индивидуальной настройкой. Обнаружение перелаза и разрушения сетчатых инженерных ограждений.
Блок электронный вибрационного извещателя для участков периметра до 500 м, от - 40 до + 50, 9...36 В, 160 мА, четыре чувствительных элемента с индивидуальной настройкой. Обнаружение перелаза и разрушения сетчатых инженерных ограждений.
Комбинированное средство обнаружения 9…36 В, 80 мА, от -45 до +50°С. 1 вход для подключения вибрационного чувствительного элемента, 3 - для шлейфов питания/сигнализации извещателей, до 12 в каждом шлейфе.
Комбинированное средство обнаружения 9…36 В, 80 мА, от -45 до +50°С. 2 входа для подключения вибрационных чувствительных элементов, 2 - для шлейфов питания/сигнализации извещателей, до 12 в каждом шлейфе).
Гермомуфта с платой на конце чуствительного элемента, устанавливается для определения характеристического сопротивления кабеля. Подходит для ВЧЭ ЮСДП.425119.005 и ВЧЭ ЮСДП.425119.005-01.
Извещатель охарнный линейный проводноволновый, 20… 500 м, 12...30 В, 10 мА, от - 50 до + 50°С
Прибор настройки, мобильный персональный компьютер (нетбук, ноутбук) с преобразователем интерфейсов USB/RS-485 "URS-230" для настройки шлейфов техничесских средств охраны
Прибор охранный режимных помещений от -10 до +50ºС, 220 В. Сочетает функции извещателя охранного оптико-электронного инфракрасного, ППК и источника резервного питания (до 8 ч.). Охрана оружейных комнат, складов боеприпасов, архивов, касс. Вход для подключения внешних извещателей, светозвуковое оповещение, релейный выход.
Прибор охраны режимных помещений, от -10 до +50ºС, 220 В. Сочетает функции радиоволнового объемного извещателя (120 м2, до 15 м), ППК и источника резервного питания (до 8 ч.). Охрана оружейных комнат, складов боеприпасов, архивов, касс. Вход для подключения внешних извещателей, светозвуковое оповещение, релейный выход.
5…50 м., от -40 до +65ºС, 8…30 В, 25 мА. Рекомендуется для коротких участков. Увеличенное сечение зоны обнаружения. Устойчив к вибрациям. Не требует юстировки. Автоматическая настройка чувствительности для стандартных участков. Отсутствие взаимного влияния между соседними извещателями (4 частотные литеры)
Радиоволновый, двухпозиционный извещатель 10…200 м, -40 - +75 0С раб, 10,2…30 В, 70 мА
Радиоволновый, двухпозиционный извещатель 10-100 м, -40 - +65 0С раб, 10,2…30 В, 70 мА,
Радиоволновый, двухпозиционный извещатель 10-50 м, -40 - +65 0С раб, 10,2…30 В, 70 мА,
Радиоволновый, двухпозиционный извещатель 10…300 м, -40 - +65 0С, 10,2…30 В, 70 мА,
Устройство защиты линии интерфейса для защиты оборудования от импульсных перенапряжений

